the12volt.com spacer
the12volt.com spacer
the12volt.com spacer
the12volt.com spacer
icon

2009 mitsubishi lancer, viper 5501, dball


Post ReplyPost New Topic
< Prev Topic Next Topic >
theppl 
Member - Posts: 17
Member spacespace
Joined: December 01, 2011
Location: Canada
Posted: December 04, 2011 at 7:12 PM / IP Logged Link to Post Post Reply Quote theppl
I'm attempting to install a Viper 5501 Remote Starter and DBALL bypass module into a Manual Transmission 2009 Mitsubishi Lancer GTS with "F.A.S.T." (Smart Key).
Everything is installed using the D2D connection and the Viper remote can unlock/lock/pop trunk, etc. The problem is I can't get the remote starter part to work at all.
The DBALL bypass module has been programmed with the firmware for this vehicle. I'm also thinking the DBALL must have learned the codes from the vehicle properly because it is unlocking/locking the doors through the Viper remote.
When I have the engine running, I attempt to set the MTS (Manual Transmission Start) by following the steps in the manual. Pull the e-brake, let go of foot brake, press the unlock or lock button on the remote. At this point, the parking lights are supposed to flash 5 times. This does not happen. Then when I turn the key off, the engine quits.
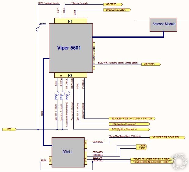
I am hoping I have everything connected properly. I have made up a simplified drawing of my connections:
2009 mitsubishi lancer, viper 5501, dball -- posted image.
Note the Mitsubishi connection diagram for the DBALL is shown on page 3 of this DBALL Installation Guide
These are the connections listed in the Viper 5501 Install manual. I've bolded the ones that I have connected.
Directed Electronics wrote:
Primary harness (H1), 12-pin connector
H1/1 RED / WHITE (-) 200mA TRUNK RELEASE OUTPUT
H1/2 RED (+)12v CONSTANT INPUT
H1/3 BROWN (-) HORN OUTPUT
H1/4 WHITE/ BROWN LIGHT FLASH ISOLATION WIRE - PIN 87a of onboard relay
H1/5 BLACK (-) CHASSIS GROUND
H1/6 VIOLET (+) DOOR TRIGGER INPUT
H1/7 BLUE (-) FACTORY HORN INPUT
H1/8 GREEN (-) DOOR TRIGGER INPUT
H1/9 BLACK/ WHITE (-) 200mA DOME LIGHT OUTPUT
H1/10 WHITE/ BLUE (-) REMOTE START/ TURBO TIMER ACTIVATION INPUT
H1/11 WHITE PARKING LIGHT OUTPUT
H1/12 ORANGE (-) 500mA GROUND WHEN ARMED OUTPUT
Auxiliary harness (H2), 7-pin connector
H2/1 LIGHT GREEN/ BLACK (-) 200mA FACTORY ALARM DISARM OUTPUT
H2/2 LIGHT GREEN / WHITE (-) 200mA FACTORY ALARM ARM OUTPUT
H2/3 WHITE/ VIOLET (-) 200mA AUX 1 OUTPUT
H2/4 VIOLET/BLACK (-) 200mA AUX 2 OUTPUT
H2/5 WHITE/ BLACK (-) 200mA AUX 3 OUTPUT
H2/6 LIGHT BLUE (-) 200mA 2ND UNLOCK OUTPUT
H2/7 GRAY/BLACK (-) DIESEL WAIT TO START INPUT
Heavy gauge remote start, (H3) 8-pin connector
H3/1 PINK (+) IGNITION 1 INPUT/OUTPUT
H3/2 RED / WHITE (+) FUSED (30A) IGNITION 2 / FLEX RELAY INPUT 87
H3/3 ORANGE ACCESSORY OUTPUT
H3/4 VIOLET STARTER OUTPUT
H3/5 RED (+) FUSED (30A) IGNITION 1 INPUT
H3/6 PINK/WHITE IGNITION 2 / FLEX RELAY OUTPUT 30
H3/7 PINK/BLACK FLEX RELAY INPUT 87A key side (if required) of FLEX RELAY
H3/8 RED / BLACK (+) FUSED (30A) ACCESSORY/STARTER INPUT
Remote start input, 5-pin connector
1 BLACK/ WHITE (-) NEUTRAL SAFETY SWITCH INPUT
2 VIOLET/WHITE TACHOMETER INPUT
3 BROWN (+) BRAKE SHUTDOWN INPUT
4 GRAY N/O or N/C (-) HOOD PIN SWITCH INPUT
5 BLUE/WHITE (-) 200 mA 2ND STATUS/REAR DEFOGGER OUTPUT
Remote start auxiliary output, 5-pin
1 PINK/WHITE (-) 200mA FLEX RELAY CONTROL OUTPUT
2 ORANGE (-) 200mA ACCESSORY OUTPUT
3 VIOLET (-) 200mA STARTER OUTPUT
4 PINK (-) 200mA IGNITION 1 OUTPUT
5 BLUE (-) 200mA STATUS OUTPUT
The jumpers on the Viper 5501 are set horizontally to force D2D mode. I also tried connecting the included toggle switch but it has no effect.
Have I missed something? Does anyone have any ideas for me?
theppl 
Member - Posts: 17
Member spacespace
Joined: December 01, 2011
Location: Canada
Posted: December 04, 2011 at 11:08 PM / IP Logged Link to Post Post Reply Quote theppl
I made a few fixes to my wiring diagram. (Sorry, as a "rookie member", I can't edit my original post).
2009 mitsubishi lancer, viper 5501, dball -- posted image.
dasbogie 
Silver - Posts: 514
Silver spacespace
Joined: September 30, 2006
Location: Pennsylvania, United States
Posted: December 05, 2011 at 7:39 AM / IP Logged Link to Post Post Reply Quote dasbogie
as far as setting reservation mode, you need to connect n.s.s. wire to your parking brake and you need to hardwire tach to the vehicle.  then you need to program tach to the viper.  After that, give reservation mode a try. 
Advanced
theppl 
Member - Posts: 17
Member spacespace
Joined: December 01, 2011
Location: Canada
Posted: December 05, 2011 at 9:14 AM / IP Logged Link to Post Post Reply Quote theppl
Thanks for the reply dasbogie. I was under the impression that the parking brake status and the tach output are read and passed on by the DBALL immobilizer. It actually says so in this clip from the manual:
2009 mitsubishi lancer, viper 5501, dball -- posted image.
Are you suggesting that I still need to hook those up even though the DBALL is supposed to take care of them?
tedmond 
Gold - Posts: 4,610
Gold spaceThis member has been recognized as an authority in Mobile Security and Convenience. Click here for more info.spacespace
Joined: January 06, 2007
Location: Ontario, Canada
Posted: December 05, 2011 at 9:09 PM / IP Logged Link to Post Post Reply Quote tedmond
you can use the handbrake from the data module, the tach dont use it via dball. Run an actual tach, its much more reliable.
Ted
2nd Year Tier 1 Medical School
Still installing as a hobby...pays for groceries
Compustar Expert
dasbogie 
Silver - Posts: 514
Silver spacespace
Joined: September 30, 2006
Location: Pennsylvania, United States
Posted: December 05, 2011 at 10:31 PM / IP Logged Link to Post Post Reply Quote dasbogie
Straight from a die rep at a remote start training "when doing manual transmission vehicles, tach must be hard wired
Advanced
theppl 
Member - Posts: 17
Member spacespace
Joined: December 01, 2011
Location: Canada
Posted: December 06, 2011 at 9:05 AM / IP Logged Link to Post Post Reply Quote theppl
Now that you guys mention that, I look in the installation manual and it does say in multiple places that you need a tach wire hooked up for manual transmission. I guess I assumed that the DBALL would take care of everything. I'll give it a try later tonight.
theppl 
Member - Posts: 17
Member spacespace
Joined: December 01, 2011
Location: Canada
Posted: December 08, 2011 at 9:32 AM / IP Logged Link to Post Post Reply Quote theppl
OK, I hooked up the tach wire as suggested. Now, it goes through the tach learning sequence properly. While the car is started, hold down the button for 3 seconds and the LED turns on and lights flash indicating that it was successful.
The problem is it still can't go into reservation mode.
Note that I did hard-wire the N.S.S. to ground.
tedmond wrote:
you can use the handbrake from the data module, the tach dont use it via dball. Run an actual tach, its much more reliable.
@tedmond: Are you sure that the handbrake signal from the data module will work? Even through D2D? Or should I hard-wire that from the DBALL module.
offroadzj 
Gold - Posts: 2,043
Gold spaceThis member has made a donation to the12volt.com. Click here for more info.spaceThis member has been recognized as an authority in Mobile Security and Convenience. Click here for more info.spacespace
Joined: June 03, 2005
Location: New York, United States
Posted: December 08, 2011 at 9:40 AM / IP Logged Link to Post Post Reply Quote offroadzj
I think you need to wire the NSS to the ebrake so that the unit recognizes the ebrake coming on. I could be wrong about that though. not sure if the module output will work but it should be easy enough to try.
Kenny
Owner / Technician
KKD Garage LLC
Albany, NY 12205
tedmond 
Gold - Posts: 4,610
Gold spaceThis member has been recognized as an authority in Mobile Security and Convenience. Click here for more info.spacespace
Joined: January 06, 2007
Location: Ontario, Canada
Posted: December 08, 2011 at 10:57 PM / IP Logged Link to Post Post Reply Quote tedmond
i w2w everything so i cant say through d2d it will work.
Ted
2nd Year Tier 1 Medical School
Still installing as a hobby...pays for groceries
Compustar Expert
Page of 3

  Printable version Printable version Post ReplyPost New Topic
You cannot post new topics in this forum
You cannot reply to topics in this forum
You cannot delete your posts in this forum
You cannot edit your posts in this forum
You cannot create polls in this forum
You cannot vote in polls in this forum

  •  
Search the12volt.com
Follow the12volt.com Follow the12volt.com on Facebook
Wednesday, February 18, 2026 • Copyright © 1999-2026 the12volt.com, All Rights Reserved Privacy Policy & Use of Cookies
Disclaimer: *All information on this site ( the12volt.com ) is provided "as is" without any warranty of any kind, either expressed or implied, including but not limited to fitness for a particular use. Any user assumes the entire risk as to the accuracy and use of this information. Please verify all wire colors and diagrams before applying any information.

Secured by GoGetSSL
the12volt.com spacer
the12volt.com spacer
the12volt.com spacer
Support the12volt.com
Top
the12volt.com spacer
the12volt.com spacer