the12volt.com spacer
the12volt.com spacer
the12volt.com spacer
the12volt.com spacer
icon

2011 toyota tundra rheostat wiring


Post ReplyPost New Topic
< Prev Topic Next Topic >
jmsingh 
Member - Posts: 4
Member spacespace
Joined: December 02, 2013
Location: Ontario, Canada
Posted: December 03, 2013 at 2:49 PM / IP Logged  
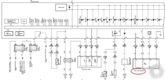
Hello; I am trying to tap/splice into the rheostat dimmer switch that controls the dash lighting. I have added some LEDs and wish to control these via the rheostat such that they function relative to all other dash/panel controlled lighting. I have the following EWD from TIS, but am not sure which wire to connect to (ie: T, TC, or RV).
2011 toyota tundra rheostat wiring -- posted image.
2011 toyota tundra rheostat wiring -- posted image.
2011 toyota tundra rheostat wiring -- posted image.
Thanks in advance.
oldspark 
Gold - Posts: 4,913
Gold spacespace
Joined: November 03, 2008
Location: Australia
Posted: December 03, 2013 at 4:34 PM / IP Logged  
You need to substitute a later PWM dimmer. Rheostat types will not dim LEDs in proportion to position or tungsten bulbs.
jmsingh 
Member - Posts: 4
Member spacespace
Joined: December 02, 2013
Location: Ontario, Canada
Posted: December 03, 2013 at 7:36 PM / IP Logged  
oldspark wrote:
You need to substitute a later PWM dimmer. Rheostat types will not dim LEDs in proportion to position or tungsten bulbs.
Thanks for the reply. Please excuse my ignorance, but could you help me understand what you mean? The stock rheostat/dimmer dial in the dash is currently used to adjust the lighting levels for the dash and these are LEDs.
Am not challenging you on the response, I just don't understand.
oldspark 
Gold - Posts: 4,913
Gold spacespace
Joined: November 03, 2008
Location: Australia
Posted: December 03, 2013 at 8:56 PM / IP Logged  
Challenging - as in rude etc? No way! Seeking clarification or extra proof/support IMO is a positive thing.
What is challenging however is for ME to provide a good answer! (LOL)
My other challenge is to read OPs or replies correctly. In you case I totally missed that the existing dimmer is dimming LEDs, hence it must be a PWM type as opposed to a "rheostat" type assuming the LEDs dim similarly to any also-connected tungsten lamps, or in proportion to dial position.
There are other methods that are not PWM based, but they are relatively complex, and PWM dimmers have been "standard" in vehicles for many years.
I'd suggest you connect your added LEDs across the existing dimmed LEDs/bulbs but with the -ve end doing to whatever you are using to switch them on. That assumes the dimmer/PWM can power the extra LEDs. If not, you may fry whatever switching device is involved (probably a MOSFET) and may have to add a buffer to prevent that (ie, another MOSFET etc).
From what I see, all your dash etc LEDs have their +V supplied from the dimmer else fixed +V source, and the rheostat is merely that - and external potentiometer that interfaces to TR - ie, the A/D = analog to digital converter, hence PWM = dimmer.
Connecting to the rheostat itself will not achieve what you want.
Note that I originally thought the "rheostat" was the entire modular dimmer circuit as fitted to many vehicles (typically 3 terminals: +12V, GND, and output to bulbs/LEDs - typically their /GND side).
jmsingh 
Member - Posts: 4
Member spacespace
Joined: December 02, 2013
Location: Ontario, Canada
Posted: December 03, 2013 at 9:30 PM / IP Logged  
I may have bitten off more than I can chew here. At least now I know what A/D means on the diagram, but what about TR? No, really!
I'm adding the panel below. The text has back-lighting and the instructions simply say to connect the black to ground and the red to the dimmer circuit.
2011 toyota tundra rheostat wiring -- posted image.
If I understand correctly, connecting the the PWN will not achieve the desired result? I should connect to one of the existing LEDs on the dash?
Ween 
Platinum - Posts: 1,368
Platinum spacespace
Joined: August 01, 2004
Location: Illinois, United States
Posted: December 03, 2013 at 9:45 PM / IP Logged  
with a meter you should be able to determine the positive and negative leads at a dash illumination LED. connect accordingly.
mark
oldspark 
Gold - Posts: 4,913
Gold spacespace
Joined: November 03, 2008
Location: Australia
Posted: December 03, 2013 at 9:49 PM / IP Logged  
TR? Maybe trim resistor?
Your LED- to GND and LED+ to the dimmer/PWM is consistent with how I interpret your wiring diagrams.
But no - or yes - connecting to the PWM will achieve the desired result, but that rheostat and TR output is not (the) PWM.
You need to connect to the PWM output which I presume is one of the 2 lines from the upper-left box (Power S...???) in your middle diagram; and I'd assume it's the upper output (since the upper powers the lower thru the diode if the lower output of off, and you don't want +12V supplying the PWM output when it is off).
jmsingh 
Member - Posts: 4
Member spacespace
Joined: December 02, 2013
Location: Ontario, Canada
Posted: December 04, 2013 at 8:56 AM / IP Logged  
Think I have it now.
Thanks for the replies and information.

Sorry, you can NOT post a reply.
This topic is closed.

  Printable version Printable version Post ReplyPost New Topic
You cannot post new topics in this forum
You cannot reply to topics in this forum
You cannot delete your posts in this forum
You cannot edit your posts in this forum
You cannot create polls in this forum
You cannot vote in polls in this forum

  •  
Search the12volt.com
Follow the12volt.com Follow the12volt.com on Facebook
Wednesday, March 25, 2026 • Copyright © 1999-2026 the12volt.com, All Rights Reserved Privacy Policy & Use of Cookies
Disclaimer: *All information on this site ( the12volt.com ) is provided "as is" without any warranty of any kind, either expressed or implied, including but not limited to fitness for a particular use. Any user assumes the entire risk as to the accuracy and use of this information. Please verify all wire colors and diagrams before applying any information.

Secured by GoGetSSL
the12volt.com spacer
the12volt.com spacer
the12volt.com spacer
Support the12volt.com
Top
the12volt.com spacer
the12volt.com spacer