the12volt.com spacer
the12volt.com spacer
the12volt.com spacer
the12volt.com spacer
icon

relay madness


Post ReplyPost New Topic
< Prev Topic Next Topic >
thorzite 
Member - Posts: 2
Member spacespace
Joined: January 05, 2014
Location: Arizona, United States
Posted: January 05, 2014 at 7:36 PM / IP Logged  
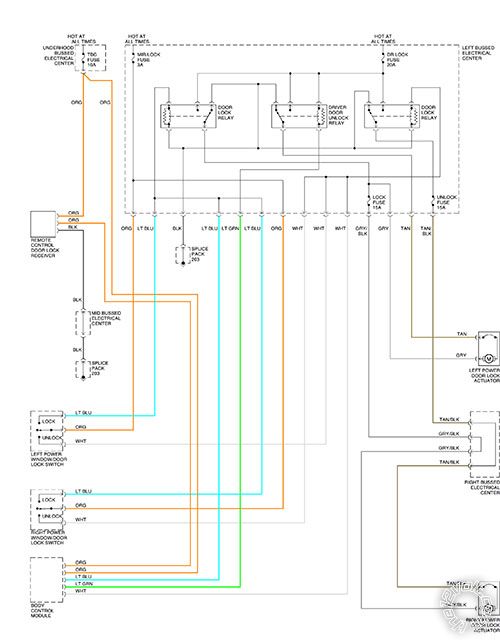
I am having a similar issue as another person posted on the 3rd. However my situation does not involve auto start. I am installing a Pyle alarm but having issues with the door locks. the alarm door lock outputs are negative (-) but the wiring diag for the truck 01 chevy silverado advises to tap to the wires coming from the body control module, trouble is they are positive outs (+) that said, typically I would go buy two relays, however this truck has a door unlock and a door lock relay, couldn't I tap into the (-) wire off the relay? or would I in fact need two additional relays to run this properly?
Please see attached,
RELAY LOCATION
relay madness -- posted image.
wiring diag
relay madness -- posted image.
wiring locaitons
relay madness -- posted image.
Any help / clarification would be greatly appreciated!
Ween 
Platinum - Posts: 1,368
Platinum spacespace
Joined: August 01, 2004
Location: Illinois, United States
Posted: January 05, 2014 at 7:54 PM / IP Logged  
Hi,
The control of the relays are a positive signal from the door lock/unlock switch and BCM. A way to invert the negative signal from the alarm to a positive signal is needed. Relays are an easy way to do this.
Hope this helps.
thorzite 
Member - Posts: 2
Member spacespace
Joined: January 05, 2014
Location: Arizona, United States
Posted: January 05, 2014 at 8:23 PM / IP Logged  
Very much so, thanks! I obviously need to brush op on my auto electric knowledge. :)

Sorry, you can NOT post a reply.
This topic is closed.

  Printable version Printable version Post ReplyPost New Topic
You cannot post new topics in this forum
You cannot reply to topics in this forum
You cannot delete your posts in this forum
You cannot edit your posts in this forum
You cannot create polls in this forum
You cannot vote in polls in this forum

  •  
Search the12volt.com
Follow the12volt.com Follow the12volt.com on Facebook
Thursday, April 9, 2026 • Copyright © 1999-2026 the12volt.com, All Rights Reserved Privacy Policy & Use of Cookies
Disclaimer: *All information on this site ( the12volt.com ) is provided "as is" without any warranty of any kind, either expressed or implied, including but not limited to fitness for a particular use. Any user assumes the entire risk as to the accuracy and use of this information. Please verify all wire colors and diagrams before applying any information.

Secured by GoGetSSL
the12volt.com spacer
the12volt.com spacer
the12volt.com spacer
Support the12volt.com
Top
the12volt.com spacer
the12volt.com spacer