Posted: December 21, 2014 at 4:13 AM / IP Logged
Posted: December 21, 2014 at 4:36 AM / IP Logged
Sorry, you can NOT post a reply.
This topic is closed.
Printable version

| You cannot post new topics in this forum You cannot reply to topics in this forum You cannot delete your posts in this forum You cannot edit your posts in this forum You cannot create polls in this forum You cannot vote in polls in this forum |
| Search the12volt.com |
Follow the12volt.com
Monday, December 29, 2025 • Copyright © 1999-2025 the12volt.com, All Rights Reserved • Privacy Policy & Use of Cookies
Monday, December 29, 2025 • Copyright © 1999-2025 the12volt.com, All Rights Reserved • Privacy Policy & Use of Cookies
Disclaimer:
*All information on this site ( the12volt.com ) is provided "as is" without any warranty of any kind, either expressed or implied, including but not limited to fitness for a particular use. Any user assumes the entire risk as to the accuracy and use of this information. Please
verify all wire colors and diagrams before applying any information.




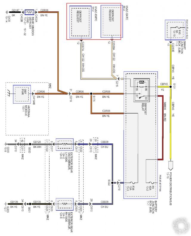
6. The following picture shows the function of the wires of a 20 Pin connector. I have not used the circled ones. Are any of them can be utilized? I wonder if I can wire some of them up so that I can control defroster or heated seat using the fob, like the BK-GN wire of Pin 7 can be programed to “to send a ground signal for any time interval between 1 second and 2 minutes”. Does anyone know how I can wire it to control defroster?
Defroster
Heated seats
Here is the link to the Autopage RS730 
