the12volt.com spacer
the12volt.com spacer
the12volt.com spacer
the12volt.com spacer
icon

2002 chevy silvarado heated seat wiring


Post ReplyPost New Topic
< Prev Topic Next Topic >
chek 
Copper - Posts: 69
Copper spacespace
Joined: August 17, 2011
Location: Arizona, United States
Posted: January 09, 2015 at 9:09 PM / IP Logged  
I'm trying to find out if it is possible to turn on heated seats from a remote starter without using data. Has anyone done this?
xtac1080 
Copper - Posts: 89
Copper spaceThis member has made a donation to the12volt.com. Click here for more info.spacespace
Joined: July 07, 2005
Location: Illinois, United States
Posted: January 10, 2015 at 1:04 AM / IP Logged  
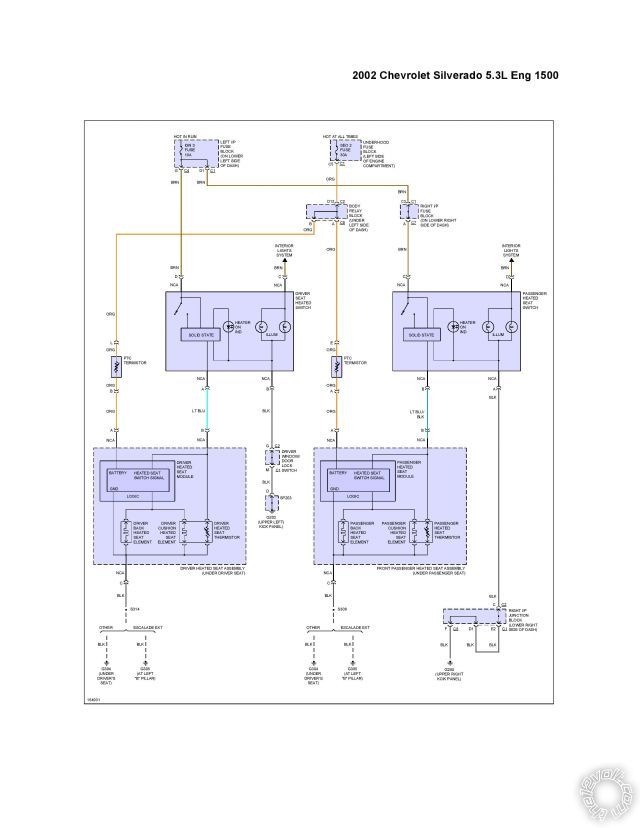
Here is the schematic. The light blue & light blue/black wires are your target. You should test those wires and see how they function in their multiple states (OFF, HIGH, LOW).
You could also disassemble the heated seat switches and pulse the solid state side terminal on the push button with whatever voltage it requires to activate (12V + it appears to be, test to confirm). This may require soldering to a circuit board, I don't know though as I'm not familiar with how the innards look on those switch assemblies.
Good luck
2002 chevy silvarado heated seat wiring -- posted image.
chek 
Copper - Posts: 69
Copper spacespace
Joined: August 17, 2011
Location: Arizona, United States
Posted: January 10, 2015 at 5:53 AM / IP Logged  
Exactly what I needed! Thank you!

Sorry, you can NOT post a reply.
This topic is closed.

  Printable version Printable version Post ReplyPost New Topic
You cannot post new topics in this forum
You cannot reply to topics in this forum
You cannot delete your posts in this forum
You cannot edit your posts in this forum
You cannot create polls in this forum
You cannot vote in polls in this forum

  •  
Search the12volt.com
Follow the12volt.com Follow the12volt.com on Facebook
Wednesday, November 12, 2025 • Copyright © 1999-2025 the12volt.com, All Rights Reserved Privacy Policy & Use of Cookies
Disclaimer: *All information on this site ( the12volt.com ) is provided "as is" without any warranty of any kind, either expressed or implied, including but not limited to fitness for a particular use. Any user assumes the entire risk as to the accuracy and use of this information. Please verify all wire colors and diagrams before applying any information.

Secured by Sectigo
the12volt.com spacer
the12volt.com spacer
the12volt.com spacer
Support the12volt.com
Top
the12volt.com spacer
the12volt.com spacer