the12volt.com spacer
the12volt.com spacer
the12volt.com spacer
the12volt.com spacer
icon

66 Ford F-250 Truck Wiring Diagram


Post ReplyPost New Topic
< Prev Topic Next Topic >
adrianspeeder 
Copper - Posts: 53
Copper spacespace
Joined: March 01, 2005
Location: United States
Posted: May 20, 2005 at 11:09 AM / IP Logged  
Howdy,
I'm tryin to get our 66 F-250 to pass inspection by next week. The wiring under the hood is an absolute mess, but the only thing that doesn't work is the passenger side front turn signal. Four ways are good and the other signals are good, but that is only through dumb luck. The wiring is so hack job that I will just start over. Anyone have a diagram for this ole girl?
Adrianspeeder
hotwaterwizard 
Silver - Posts: 1,350
Silver spacespace
Joined: December 11, 2003
Location: California, United States
Posted: May 21, 2005 at 11:19 PM / IP Logged  
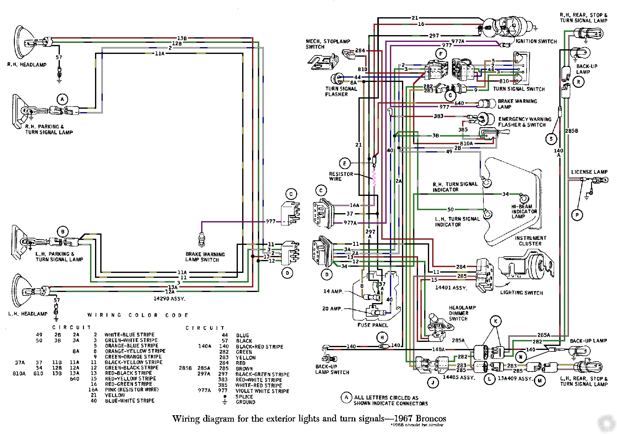
66 Ford F-250 Truck Wiring Diagram -- posted image.
John DeRosa (Hotwaterwizard)
Stockton California
When in doubt, try it out !
hotwaterwizard 
Silver - Posts: 1,350
Silver spacespace
Joined: December 11, 2003
Location: California, United States
Posted: May 21, 2005 at 11:19 PM / IP Logged  
adrianspeeder 
Copper - Posts: 53
Copper spacespace
Joined: March 01, 2005
Location: United States
Posted: May 22, 2005 at 1:02 PM / IP Logged  
Hey thanks John, you da man! Exactly what I needed. I think the problem comes from some some goober installin a trailer brake controller and hackin everything up. No need to tow trailers using this truck as I have a powerstroke for that, so I will just wire it up like stock.
Adrianspeeder
'02 F250 PSD, '97 F-150, '71 F-100, '66 F-250, '93, '92, '88, '84 Broncos
Penn State electrical engineerin' major
hotwaterwizard 
Silver - Posts: 1,350
Silver spacespace
Joined: December 11, 2003
Location: California, United States
Posted: May 22, 2005 at 1:08 PM / IP Logged  
Not an F250 but Close.
John DeRosa (Hotwaterwizard)
Stockton California
When in doubt, try it out !
adrianspeeder 
Copper - Posts: 53
Copper spacespace
Joined: March 01, 2005
Location: United States
Posted: May 25, 2005 at 11:24 AM / IP Logged  
Current status...
Mostly rewired using the above diagram. The one turn signal up front was fixed with a new ground and a bulb. The rear lights were screwed up due to three different attempts at wiring up trailer connections. Got rid of all that junk and the rears work, almost. No brake lights. Hot wiring power to the master cylinder pressure switch lights the lights with the brake pedal, but need to find why the stock supply to the pressure switch is dead. Not really as critical now as I have my inspection sticker and can drive around to get other parts for it.
I'll get some new pics up soon.
Adrianspeeder
'02 F250 PSD, '97 F-150, '71 F-100, '66 F-250, '93, '92, '88, '84 Broncos
Penn State electrical engineerin' major

Sorry, you can NOT post a reply.
This topic is closed.

  Printable version Printable version Post ReplyPost New Topic
You cannot post new topics in this forum
You cannot reply to topics in this forum
You cannot delete your posts in this forum
You cannot edit your posts in this forum
You cannot create polls in this forum
You cannot vote in polls in this forum

  •  
Search the12volt.com
Follow the12volt.com Follow the12volt.com on Facebook
Saturday, April 4, 2026 • Copyright © 1999-2026 the12volt.com, All Rights Reserved Privacy Policy & Use of Cookies
Disclaimer: *All information on this site ( the12volt.com ) is provided "as is" without any warranty of any kind, either expressed or implied, including but not limited to fitness for a particular use. Any user assumes the entire risk as to the accuracy and use of this information. Please verify all wire colors and diagrams before applying any information.

Secured by GoGetSSL
the12volt.com spacer
the12volt.com spacer
the12volt.com spacer
Support the12volt.com
Top
the12volt.com spacer
the12volt.com spacer