Print Page | Close Window

2008 New Style Chevy Malibu Factory Amp

Printed From: the12volt.com
Forum Name: Car Audio
Forum Discription: Car Stereos, Amplifiers, Crossovers, Processors, Speakers, Subwoofers, etc.
URL: https://www.the12volt.com/installbay/forum_posts.asp?tid=111605
Printed Date: April 18, 2026 at 10:05 AM


Topic: 2008 New Style Chevy Malibu Factory Amp

Posted By: davescomptips
Subject: 2008 New Style Chevy Malibu Factory Amp
Date Posted: February 15, 2009 at 10:08 AM

Quick question...

Getting ready to start an install. I would like to take the inputs to the amp (line level) and terminate them with RCAs. The reasoning behind this is I want the cleanest signal feeding the new amps.

Does anyone see any problem with this?

Does anyone have a wiring diagram in's/out's for the factory amp, or know where I can find it?



Replies:

Posted By: davescomptips
Date Posted: February 18, 2009 at 9:08 AM
Does anyone have any info?




Posted By: davescomptips
Date Posted: February 20, 2009 at 10:49 AM
OK, I'll answer my own question!

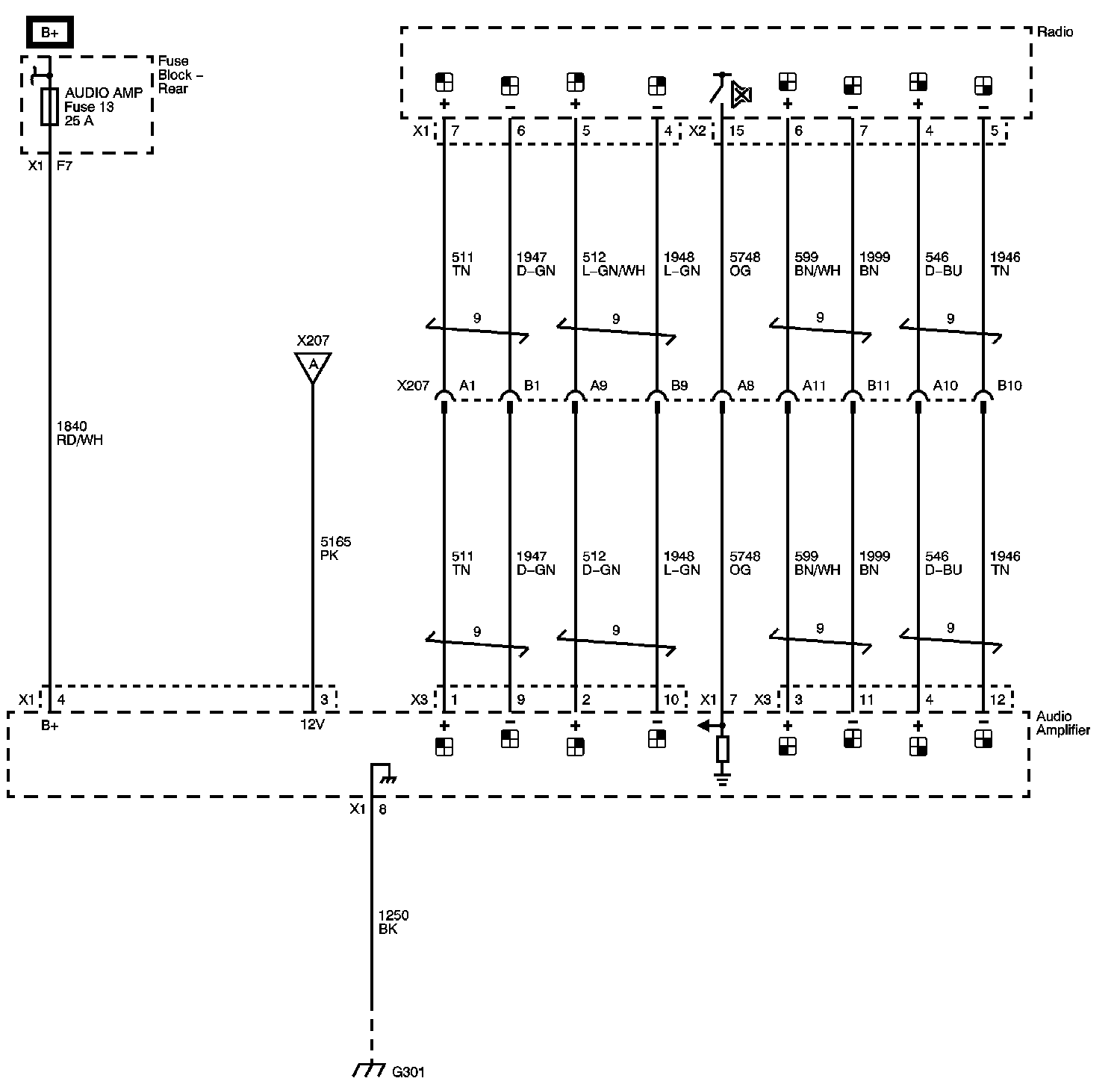
It also appears that pin 7 on connector 1 provides switched power. It's probably 5v, but should be usable with a relay. I'll have to hit it with a meter.

posted_image




Posted By: davescomptips
Date Posted: March 07, 2009 at 8:21 AM
Just to add to the above info, in case someone else is looking:

The above is diagram is correct.
The factory HU does not clip at any volume.
The pink wire on the amp (connector X1/Pin 3) will function as a remote. It is +12v when the radio/cd is on and retains RAP power.





Print Page | Close Window