Print Page | Close Window

door trigger?

Printed From: the12volt.com
Forum Name: Car Security and Convenience
Forum Discription: Car Alarms, Keyless Entries, Remote Starters, Immobilizer Bypasses, Sensors, Door Locks, Window Modules, Heated Mirrors, Heated Seats, etc.
URL: https://www.the12volt.com/installbay/forum_posts.asp?tid=132710
Printed Date: November 15, 2025 at 1:33 PM


Topic: door trigger?

Posted By: zapster
Subject: door trigger?
Date Posted: November 18, 2012 at 11:43 PM

how do i isolate the doors? i am planning on installing a carbine alarm in my 2006 toyota sienna van but my trouble is hooking up the alarm to 5 doors. I was told to isolate the doors but how? thanx

-------------
cowboy



Replies:

Posted By: howie ll
Date Posted: November 19, 2012 at 1:47 AM
Go to the dome light, switched ground on opening the doors.

-------------
Amateurs assume, don't test and have problems; pros test first. I am not a free install service.
Read the installation manual, do a search here or online for your vehicle wiring before posting.




Posted By: lurch228
Date Posted: November 19, 2012 at 2:02 AM
zapster wrote:

how do i isolate the doors? i am planning on installing a carbine alarm in my 2006 toyota sienna van but my trouble is hooking up the alarm to 5 doors. I was told to isolate the doors but how? thanx

With howie, also when isolating doors you use 1 amp diodes for each door.




Posted By: howie ll
Date Posted: November 19, 2012 at 2:07 AM
That's the theory, join with diodes, bands away from the alarm units. 5 x 1N4004 diodes.
In fact it doesn't matter if your vehicle as most Toyotas do has the following.
Open the door, the dome light comes on shut the door, it stays on for about a minute OR until you lock the doors.
If that's the case then you have built in dome supervision and you follow my first post.

-------------
Amateurs assume, don't test and have problems; pros test first. I am not a free install service.
Read the installation manual, do a search here or online for your vehicle wiring before posting.




Posted By: zapster
Date Posted: November 19, 2012 at 3:41 AM

howie, you mean connect the negative input wire from the alarm to the dome sup wire. In the drawing here about isolating  a door, it said if wire from the alarm is connected to the dome sup light, other features of the vehicle would not work properly like the lights on the dashboard.     In connecting the diode, solder the diode in between the passenger and the right rear door wires(example). How do i connect the trunk wire? thanx



-------------
cowboy




Posted By: zapster
Date Posted: November 19, 2012 at 3:45 AM
lurch228, does that mean a diode is connected from each door wire to the alarm? thanx

-------------
cowboy




Posted By: lurch228
Date Posted: November 19, 2012 at 4:25 AM
zapster wrote:

How do i connect the trunk wire? thanx



Same way as the doors are to the alarm wire, as you are monitoring all entry points.




Posted By: lurch228
Date Posted: November 19, 2012 at 4:40 AM
zapster wrote:

lurch228, does that mean a diode is connected from each door wire to the alarm? thanx
Yes, with diode stripe towards the door-away from the alarm. IE all non striped ends soldered together to the alarm trigger wire, stripped ends to the doors and hatch.




Posted By: howie ll
Date Posted: November 19, 2012 at 5:22 AM
OK what were you smoking when you were told about instrument panel lights?
They've nothing to do with the door triggers or courtesy lights, they are controlled from ignition 2.
In fact forget the diodes, all door and hatch (trunk)trigger are linked, blue (-) at dashboard interior light switch.
Red (-) same place for dome supervision, if you do what I told you earlier, you probably won't need it.

-------------
Amateurs assume, don't test and have problems; pros test first. I am not a free install service.
Read the installation manual, do a search here or online for your vehicle wiring before posting.




Posted By: zapster
Date Posted: November 19, 2012 at 2:29 PM

i only got that qoute from the door trigger article that says if the doors are tied together w/out diode, the features of the vehicle would not work properly. Ok howie, i'll try that this week or next and post here my progress. Thanx a lot to all the responses.



-------------
cowboy




Posted By: vinchinzo
Date Posted: November 24, 2012 at 11:13 AM
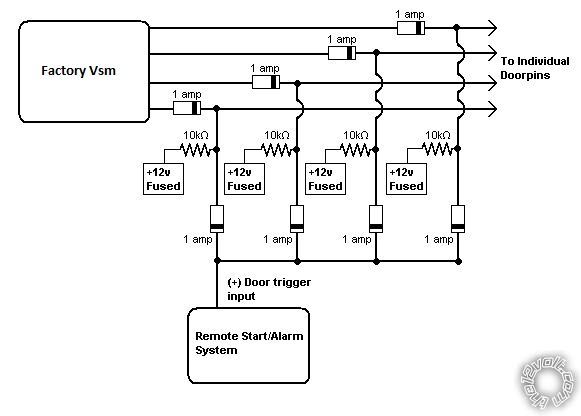
This is how I done it only because Using one diode/trigger does not always work on some vehicles...This way uses 8 diodes and 4 resistors. There are details on how to install them in detail in the blink below.
Door Triggers

posted_image


-------------
When in doubt....kick it!




Posted By: howie ll
Date Posted: November 24, 2012 at 11:21 AM
Vinchinzo, the diagram you're using has nothing to do with the OP or the original vehicle.
You're showing a Ford/Mazda/Volvo NC circuit.
As for Toyotas with time delay on the dome light, I've always gone to the switched domelight feed with no problems.

-------------
Amateurs assume, don't test and have problems; pros test first. I am not a free install service.
Read the installation manual, do a search here or online for your vehicle wiring before posting.




Posted By: howie ll
Date Posted: November 24, 2012 at 11:26 AM
Ah clever me, I just went to that post.
Having said that it was a really good post well done!
Just remember how differently wired, some vehicles are to others.

-------------
Amateurs assume, don't test and have problems; pros test first. I am not a free install service.
Read the installation manual, do a search here or online for your vehicle wiring before posting.




Posted By: zapster
Date Posted: November 24, 2012 at 6:27 PM

howie II, is the wire color for the headlight relay wht/rd about 18awg? where is the input and output located at?  I need to connect  a wire to it. Thanx



-------------
cowboy




Posted By: zapster
Date Posted: November 24, 2012 at 6:41 PM
howie, do you know which doors are positive or negative? The doors showed 12v when closed and 0v when opened. thanx

-------------
cowboy




Posted By: howie ll
Date Posted: November 24, 2012 at 7:25 PM
To answer both questions;
a) Could be WHITE/ red the place to look is the steering column loom test as the door triggers when you turn on the headlights it's NEG (-) switching.
b) What you've described for the door trigger is NEG (-) switching.
With the doors closed the circuit is grounding through your DMM hence 12V+.
Here comes the blasphemy;
Use an incandescent bulb test light, e.g. Snap-On CT-42 or MAC equivalent.
On the above AND Toyota lock triggers it's far quicker than using a DMM.
Virtually every pro when they know a particular car will use that method rather than a meter.


-------------
Amateurs assume, don't test and have problems; pros test first. I am not a free install service.
Read the installation manual, do a search here or online for your vehicle wiring before posting.




Posted By: zapster
Date Posted: November 26, 2012 at 12:04 AM

So far, alarm is working. Tomorrow I just need to dress the wires, connect the doors to the alarm and put a fuse to the siren.



-------------
cowboy




Posted By: zapster
Date Posted: November 26, 2012 at 1:39 AM
2006 toyota sienna ? does anybody here know how to disable the airbag and remove it? I'm afraid to touch the airbag coz it might deploy. I need to access the wires under the steering column. Thanx

-------------
cowboy




Posted By: zapster
Date Posted: November 26, 2012 at 1:45 AM

 I just noticed that I mentioned the "doors" on my 1st post that might be misinterpreted. I meant connecting the power door locks. Thank You



-------------
cowboy




Posted By: howie ll
Date Posted: November 26, 2012 at 3:46 AM
Disable airbag? Yes but why?
You won't have to remove the steering wheel there are probably 2 screws facing you UNDER the hub securing the steering column cover (cowling).
Turn on engine and turn the steering wheel to access them.

-------------
Amateurs assume, don't test and have problems; pros test first. I am not a free install service.
Read the installation manual, do a search here or online for your vehicle wiring before posting.




Posted By: kreg357
Date Posted: November 26, 2012 at 5:31 AM

As Howard mentioned, there should be no need to "disable" the airbags while opening up the
steering column to access the Parking Light wire.  As a matter of fact, if you are looking
for the (-) GREEN/ Black Parking Light wire at the Headlight switch connector, there is a
pictorial on a 2005 Sienna ( 2004 thru 2007 should be the same ) in the Pictorials Section.
The pictorial shows the required disassembly, the Headlight Switch Connector and a close-up
of the actual (-) GREEN/ Black Parking Light wire in the connector.  Here is a link to the
pictorial :  https://www.the12volt.com/installbay/forum_posts.asp~TID~131011~PN~1

The easiest way to "disable" the airbags is to pull the vehicles battery leads and wait 20
minutes ( probably 20 is overkill but airbags aren't cheap  posted_image  ).  Of course, with the battery
disconnected you have lost the ability to use a DMM ( set to V DC ) or a test light to locate,
test, and verify wires...



-------------
Soldering is fun!




Posted By: zapster
Date Posted: November 27, 2012 at 3:14 AM
nice pix. Thanx a lot.

-------------
cowboy




Posted By: rauenpc2
Date Posted: November 27, 2012 at 1:50 PM
Not that it matters in the end, but in the post referencing the dash lights not working, I believe this is a reference to dash lights that can specify exactly which door is open versus a light indicating that a [unknown] door is open. Without diode isolation and with all door triggers connected to the alarm/rs, the dash lights would always indicate that all doors were open at the same time instead of, say, just the driver's door for instance.




Posted By: howie ll
Date Posted: November 27, 2012 at 4:11 PM
So follow my first post. That's the way I've always done post 2000 Toyotas NEVER any problems and no need for dome supervision.
Right Kregg?

-------------
Amateurs assume, don't test and have problems; pros test first. I am not a free install service.
Read the installation manual, do a search here or online for your vehicle wiring before posting.




Posted By: zapster
Date Posted: November 28, 2012 at 2:22 AM

That is what I did. next is connect a fuse for the siren and connect the hood micro switch and it is "DONE".  Thanx for all your responses.



-------------
cowboy




Posted By: zapster
Date Posted: December 06, 2012 at 2:37 AM

 I connected the 12v, lock and unlock wires but the vehicle did not unlock. It locked and armed. I tested the unlock wire to 2 other wires to check if it would unlock but it did not. Today, I will test the wire if it is cut somewhere on the line. If it is good, then I'll look for that unlock wire again. If I'll find it, I'm done. Thanx



-------------
cowboy




Posted By: howie ll
Date Posted: December 06, 2012 at 3:47 AM
Light green lock and blue unlock both NEG (-) double pulse for unlock.
Upper white plug, behind driver's kick panel
What are the lock wire colours on the Carbine alarm?
2, 3 or 6 wires?
And the wire descriptions please.

-------------
Amateurs assume, don't test and have problems; pros test first. I am not a free install service.
Read the installation manual, do a search here or online for your vehicle wiring before posting.




Posted By: zapster
Date Posted: December 06, 2012 at 10:20 AM
3 wires blue, lt. blue and green 22/24 awg. only 1 wire is not connected. Wires are  I connected the wires to the harness coming from the driver's door. I'll try to find the unlock wire today.

-------------
cowboy




Posted By: lurch228
Date Posted: December 07, 2012 at 12:44 PM
howie ll wrote:

Light green lock and blue unlock both NEG (-) double pulse for unlock.
Upper white plug, behind driver's kick panel
What are the lock wire colours on the Carbine alarm?
2, 3 or 6 wires?
And the wire descriptions please.


The Carbine needs to be set to double unlock for the unlock to work as Howie II said "double pulse for unlock"




Posted By: zapster
Date Posted: December 17, 2012 at 12:30 PM

  Why is this site very slow in responding? Progres report. It was working fine last week until yesterday when the parking lights did not blink when armed/disarmed when the fuse from the white wire blew. When i replaced it, parking lights did not work again. In my '85 toyota pickup truck, this wire was connected to the parking light relay input but in the van, it was connected to the +12v suggested by the instruction. I was looking for the wire to the parking light relay input but I could not find it. Does anybody know what color it is? For now, this wire is just connected to ground suggested by the instruction, +12v or ground. The alarm is working only the parking lights do not blink when armed/disarmed. I'll try looking for pl relay input again when I have time/next week. I hope I'll find that "PL RELAY INPUT WIRE". 



-------------
cowboy




Posted By: zapster
Date Posted: December 30, 2012 at 3:24 AM

white wire was connected to the green wire w/c according to the manual, it is the wire color for the PARKING LIGHTS but PL do not blink when armed/disarmed. I reconnected the white wire to the GREEN/ black from the steering connector and now the PL's blink when armed/disarmed. This wiring is temporary only until i can find that wire behind the dash. This idea is from the pix for the 2005 sienna. This is my last hurdle. Thanx



-------------
cowboy




Posted By: lurch228
Date Posted: December 30, 2012 at 4:24 PM
That's why it's required to test first with a DMM to verify proper wire function.





Print Page | Close Window