94 camry firstech/compustar cm600s
Printed From: the12volt.com
Forum Name: Car Security and Convenience
Forum Discription: Car Alarms, Keyless Entries, Remote Starters, Immobilizer Bypasses, Sensors, Door Locks, Window Modules, Heated Mirrors, Heated Seats, etc.
URL: https://www.the12volt.com/installbay/forum_posts.asp?tid=135257
Printed Date: November 13, 2025 at 1:19 PM
Topic: 94 camry firstech/compustar cm600s
Posted By: toyotanuts
Subject: 94 camry firstech/compustar cm600s
Date Posted: November 10, 2013 at 9:40 PM
Hello everyone...new to 12volt...great looking site..the word amazing comes to mind!
Spent most of the daylight today in Pa installing a CM600 in my kids 94 Camry. Soldered all connections, double/triple verified wiring connections.
I'm just looking for basic door look/unlock, remote start features...no alarms...no special secondary features...the Camry is a basic 4cyl, no frills model.
I did not use a good number of the wires on the CM600 such as:
Conn 1
large blue
Conn 2
RED / blk
wht/blk
blk
org
org/wht
wht horn...used and not used, didnt matter
grey/blk (hood pin) Im the only one working on so not using it
RED / wht
red
Conn 3
violet-car not equipped for trunk release
Heres what I'm experiencing...
1)The car remote starts, stops as programmed in 15min. no error codes thru parking lights
2)The accessory (heat blower) fan will not work while in remote start mode, the CM600 Heavy white wire is connected to the pink/blue at ignition switch harness...i verified the solder connection by tapping into white wire downstream (back towards CM module). This wire is 0V key off, +12V key on, 0V at crank, +12V key on. (verified test light)
3) I DONOT want the horn beeping everytime it locks/unlocks/starts etc...so I tries connecting and not connecting the horn wire (CM600 small white wire PIN 7 to GREEN/ blk at steering column harness)...the large black connector at base of column. I searched and read elsewhere about two grn/blk wires of different gauge at this connector, but only verified 1 grn/blk wire. The problem is that the horn beeps twice on lock/unlock, i think once on start up...sometimes (trying to remember scenarios I encountered) the horn will then start blowing and not stop unless I pull the 10amp fuse upfront
I got rained on...then sleeted on...lol..have patience beyond belief...was at a loss so for now I pulled the horn fuse, but I need to straighten this out as winter weathers coming fast here.
Any suggestions or thoughts?
Thank you in advance!
------------- Toyotanuts
Replies:
Posted By: prdjr165
Date Posted: November 11, 2013 at 5:45 AM
it sounds like there is another accy wire that powers the heater,need to test for that-if the horn is going off when not connected to the CM600 then there has to be a factory alarm.
Posted By: toyotanuts
Date Posted: November 11, 2013 at 7:26 AM
Hmmm..TY for the reply.
Just going off all the wiring schematics I could find on the net for this Camry...they all state its a PNK/BLU wire at ignition harness? That pnk/blu wire does act voltage wise the way that the Compustars instructions ask for...meaning voltage present/no present when needed..but I understand what you're saying. My only other concern is that there is something internally wrong on this unit.
I was thinking last night to try an possibly use the CONN 1/ lrg blu wire thats a 2nd starter or 2nd accessory wire to try an power the heater blower. I believe I have the factory manual for this car...so I'll look at that tonght to verify which wire I should be tapping into.
Factory alarm? Boy...this car is bare bones, but you stating that has me thinking again. Theres a factory horn just behind the front grille (in middle of car)...when I unplug that horn, there is another one that goes off underneath the battery area somewhere...so you may be right. I may have to utilize the Compustars alarm wires on it, but I don't think any online wiring schematic showed factory alarms...could be wrong though, I don't have them in front of me.
Thank you for the help....had this continually rolling thru my mind last night...hard to sleep!!
Tom ------------- Toyotanuts
Posted By: prdjr165
Date Posted: November 11, 2013 at 8:16 AM
Having 2 horns is weird-there might be some other after market alarm on the car...all the diagrams i looked at don't list any factory alarm.The only reason the heater isn't coming on is because the accy wire isn't being fed during remote start-either your CM600 wire is not powering up or there's another accy wire in the harness that needs to be fed.
Posted By: buddholly
Date Posted: November 11, 2013 at 1:42 PM
Power up BLACK / YELLOW at the ignition harness as ACC and power up BLACK/ orange as ignition and that should fix the heater issue.
As far as the horn..I would verify the car does not have factory alarm. Do this by rolling down the driver window, shut all doors/hood/trunk and lock the vehicle. Wait a few minutes and them try opening the door from the inside door handle, if the horn starts blowing you have a factory alarm. what you will have to do is hook up your factory disarm on the compustar to the unlock wire and factory arm to the lock wire and then make sure the settings are set to lock after remote start. The doors will unlock upon remote start and then relock as soon as it starts up.
Some Toyotas will still do the little beep thing (not the horn) whether you hook up the horn output or not. -------------
Posted By: toyotanuts
Date Posted: November 11, 2013 at 6:02 PM
Thank so much guys..
I will try all the suggestions as soon as I can get to them...I'm very short on light during the week after work....LOL...neighbors just love the maddening horn issues!!
I'll post back..
TY
Tom
------------- Toyotanuts
Posted By: offroadzj
Date Posted: November 11, 2013 at 6:28 PM
Where do you have the CM600 grounded? This sounds like a bad ground issue to me...
If you don't have the CM horn output connected at all, then your issue has to be something with the car (factory alarm, etc). You can also change the horn honking feature. Check the programming options in the install guide. Also, when checking for factory alarm, lock the vehicle a couple times to make sure. Some vehicles will only arm on the 2nd lock signal.
------------- Kenny
Owner / Technician
KKD Garage LLC
Albany, NY 12205
Posted By: toyotanuts
Date Posted: November 12, 2013 at 8:21 PM
Its grounded to the dash frame support...its a good ground. Bolt n nut.
TY tho
Tom
------------- Toyotanuts
Posted By: offroadzj
Date Posted: November 13, 2013 at 5:25 PM
Dash supports aren't typically a good grounding point. The dash supports are usually installed after the interior frame has been painted so there is a barrier of paint between the chassis and the dash frame. In addition, some cars also have a rubber 'buffer' to prevent rattles. Just as a quick check, try running a wire straight from the battery and see if the problem persists.
------------- Kenny
Owner / Technician
KKD Garage LLC
Albany, NY 12205
Posted By: toyotanuts
Date Posted: November 13, 2013 at 9:44 PM
Really? Damn...never would have thunk that one. Tomorrow I should get a chance to look at it. Tried getting the car tonight, but daughter insisted she needed it to try on dresses!!!
Plus its suppose to be closer to 50 tomorrow here...hit a whopping 30 today! Not a fan of winter!!
Thanks for the info...much appreciated.
Tom
------------- Toyotanuts
Posted By: offroadzj
Date Posted: November 14, 2013 at 4:18 PM
Obviously I can't promise that is the issue (I have seen some dash grounds work great) but it's a place to start... Also check the battery terminals for tightness and extensive corrosion.
------------- Kenny
Owner / Technician
KKD Garage LLC
Albany, NY 12205
Posted By: toyotanuts
Date Posted: November 14, 2013 at 6:27 PM
Buddholly...
Your thoughts on the blk/yel to power the acc worked....TY
Now the dam horn...
Did what you suggested to test (locks doors/window down/open door using inside handle)for a factory alarm or aftermarket...neither seem to be present....
Tried running a ground direct to the battery...still NG
I'm wondering if I use one of the Compustars disarm - pulses on the horn (grn/blk on Camry)...will take possibly shut down the horn signal??
noted in the #2-02 menu/options IGN-ACC Pulse with Disarm?
Thoughts?
I ran out of time...been working under lights for 2 hrs in 30degrees...glad the heaters working...still have the fuse pulled for the horn...too late to keep blaring the horm.
Thanks again in advance everyone...much appreciated
------------- Toyotanuts
Posted By: buddholly
Date Posted: November 14, 2013 at 7:58 PM
Glad the ACC is at least working for ya now.
As far as the horn...So it honks twice when you hit lock or unlock? If you lock it using the new remote, let it sit for a few minutes and then remote start it does the horn go off?
What are you using for your lock/unlock wires? Do you have an LED light to the left of the steering column at all?
-------------
Posted By: toyotanuts
Date Posted: November 14, 2013 at 8:15 PM
Hmmm.....lets see.
org/blk and blu compustar wires to lgt grn/red in blue plug passenger kick panel for unlock
blu/blk compustar wire to blu/wht in same blue plug in pass kick panel for lock
Lock/unlock "seem" to work without a problem.
No leds to the left of the wheel.
During remote start..Each time the parking lights flash the horn makes a LOUD beep,...once when it initializes, then again if i remember correctly when the engine starts to turn...then once the engine starts, the parking lights come on steady and same time the horn starts blaring...horn will stay on until I pull the fuse out.
I tried disconnecting the parking lights from the system...didnt work, the horn still beeped and blared...same as before.
------------- Toyotanuts
Posted By: toyotanuts
Date Posted: November 14, 2013 at 9:07 PM
I have a factory electrical wiring diagram manual for the Camry...
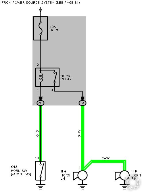
Turns out the car is equipped with a LH and RH Horns..the RH horn is located underneath the battery box..definitely no extra alarm....
------------- Toyotanuts
Posted By: buddholly
Date Posted: November 14, 2013 at 9:43 PM
Hmm. Cut it?
-------------
Posted By: toyotanuts
Date Posted: November 15, 2013 at 2:53 PM
Cut it?
Please explain....Cut what?...you lost me.
------------- Toyotanuts
Posted By: yellow_cake
Date Posted: November 15, 2013 at 5:23 PM
I'm not sure if this is the issue with the horn but...
There is a (+) parking lights trigger @ the bottom of the fuse box, and (-) park lights trigger green @ steering column, the horn trigger is GREEN/ black (-) @ steering column.
It sounds to me that you have the (-) parking light output from the compustar hooked up to the horn trigger wire (the 2 similarly colored wires in the same harness).
As for the 2 horns, it's not uncommon. Some cars if you disconnect the horns one at a time, you'll notice they sound different, together they achieve a specific tone.
Posted By: toyotanuts
Date Posted: November 15, 2013 at 6:07 PM
TY...
Your thoughts on the parking lights is what crossed my mind last night. I disconnected the parking lights last night to take them out of the loop....didnt fix it.
The to green wires at the base of the column are different size gauge...the grn/blk hornwire is approx a 14/16...where as the parking light grn wire is probably a 20ga...its very light.
I'll go over the wiring again this weekend if I can get the car from my kids...two teens with licenses and 1 car...means I dont see my car much anymore.
TY
Tom
-
------------- Toyotanuts
Posted By: yellow_cake
Date Posted: November 15, 2013 at 6:59 PM
So right now there is nothing connected to the GREEN/ black wire @ steering column?
Not sure what to say, the horn circuit on the car is fairly simple.

Posted By: toyotanuts
Date Posted: November 15, 2013 at 8:43 PM
Correct...no wires are tied into the horn circuit....only thing i can think of is somehow its back feeding....but the power only originates at the 10amp horn fuse...which then feeds the relay...no other wires should be tied in
Ill hav to really look under the dash and see if any addons were possibly ever done to this car.
------------- Toyotanuts
|