Posted: June 18, 2003 at 6:58 AM / IP Logged
Posted: June 18, 2003 at 8:10 AM / IP Logged
Posted: June 20, 2003 at 7:14 PM / IP Logged
Posted: June 22, 2003 at 10:50 AM / IP Logged
Sorry, you can NOT post a reply.
This topic is closed.
Printable version

| You cannot post new topics in this forum You cannot reply to topics in this forum You cannot delete your posts in this forum You cannot edit your posts in this forum You cannot create polls in this forum You cannot vote in polls in this forum |
| Search the12volt.com |
Follow the12volt.com
Monday, March 30, 2026 • Copyright © 1999-2026 the12volt.com, All Rights Reserved • Privacy Policy & Use of Cookies
Monday, March 30, 2026 • Copyright © 1999-2026 the12volt.com, All Rights Reserved • Privacy Policy & Use of Cookies
Disclaimer:
*All information on this site ( the12volt.com ) is provided "as is" without any warranty of any kind, either expressed or implied, including but not limited to fitness for a particular use. Any user assumes the entire risk as to the accuracy and use of this information. Please
verify all wire colors and diagrams before applying any information.





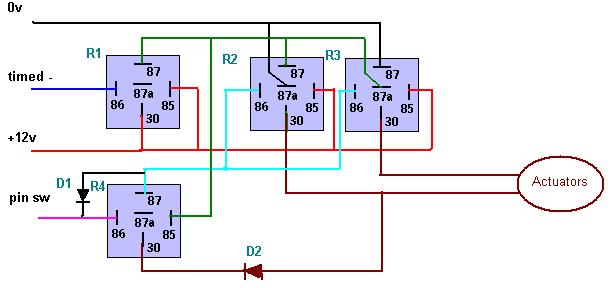
R1 - This switches the cct on from the alarm remote.R2 + R3 - these are the "changeover relays" these reverse the polaritys to make the motor go up or downThe above work finebut heres where i get ptoblemsR4 - This is meant to control the "changeover relays"D1 - This is to latch R4 because the pin goes open cct when the box gest down.D2 - This is to take - from the motor outputs as I only want R4 to switch R2and R3 when the box goes upPointsI want to use mimimal pin switches (thats why im using timed trigger)The pin switch i am using is not mounted on metal so need not be switching 0 voltsI'd rather not just have the cct latching between pulses (although it would be of some use to me) because i do not want to drain power if i decide to have the box up (or down) for long periods.R4 needs to keep R2 and R3 switched/latched for the duration of the timed pulse (the motor sweep)ProblemsThe pin switch i am using is only open circuit when the box is in the down position. all other times it is closed cc