the12volt.com spacer
the12volt.com spacer
the12volt.com spacer
the12volt.com spacer
icon

2 pulse Positive to single negative out


Post ReplyPost New Topic
< Prev Topic Next Topic >
bulldog65 
Member - Posts: 19
Member spacespace
Joined: November 21, 2005
Posted: December 08, 2005 at 4:06 PM / IP Logged  
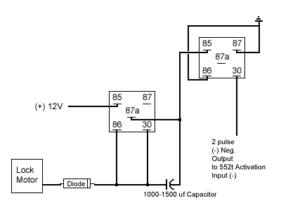
I have an old 55t2T and cannot find the remotes.  The unit has a (-) Activation Input wire that I want to use to Remote Start the vehicle using the factory remote.  So I am wanting to convert the positive pulse from the Lock wire to a negative pulse and send the signal to the 552t upon 2 pulses.  Can this be done? A diagram or details would be much appreciated.  Thanks
boomer_106 
Silver - Posts: 710
Silver spacespace
Joined: November 25, 2003
Location: United States
Posted: December 08, 2005 at 9:46 PM / IP Logged  

Check out this thread. It sounds like you guys are trying to do the same thing.

https://www.the12volt.com/installbay/forum_posts.asp?tid=67885&tpn=1

hotwaterwizard 
Silver - Posts: 1,350
Silver spacespace
Joined: December 11, 2003
Location: California, United States
Posted: December 08, 2005 at 10:25 PM / IP Logged  
2 pulse Positive to single negative out - Last Post -- posted image.
John DeRosa (Hotwaterwizard)
Stockton California
When in doubt, try it out !
bulldog65 
Member - Posts: 19
Member spacespace
Joined: November 21, 2005
Posted: December 09, 2005 at 8:54 AM / IP Logged  
Is this a correct diagram?
2 pulse Positive to single negative out - Last Post -- posted image.
KPierson 
Platinum - Posts: 3,527
Platinum spaceThis member consistently provides reliable informationspace
Joined: April 14, 2005
Location: Ohio, United States
Posted: December 09, 2005 at 1:49 PM / IP Logged  
My company makes a module that will convert two positive pulses (within 1.5 seconds of each other) in to a (-) 100mA output.  The default pulse lasts ~10 seconds but it can be adjusted.  However, this route would be much more expensive (~$30) then going with a couple of relays and a few components.
Kevin Pierson

Sorry, you can NOT post a reply.
This topic is closed.

  Printable version Printable version Post ReplyPost New Topic
You cannot post new topics in this forum
You cannot reply to topics in this forum
You cannot delete your posts in this forum
You cannot edit your posts in this forum
You cannot create polls in this forum
You cannot vote in polls in this forum

  •  
Search the12volt.com
Follow the12volt.com Follow the12volt.com on Facebook
Thursday, November 6, 2025 • Copyright © 1999-2025 the12volt.com, All Rights Reserved Privacy Policy & Use of Cookies
Disclaimer: *All information on this site ( the12volt.com ) is provided "as is" without any warranty of any kind, either expressed or implied, including but not limited to fitness for a particular use. Any user assumes the entire risk as to the accuracy and use of this information. Please verify all wire colors and diagrams before applying any information.

Secured by Sectigo
the12volt.com spacer
the12volt.com spacer
the12volt.com spacer
Support the12volt.com
Top
the12volt.com spacer
the12volt.com spacer