Posted: January 17, 2012 at 5:07 PM / IP Logged
Posted: January 17, 2012 at 9:00 PM / IP Logged
Posted: January 19, 2012 at 9:20 AM / IP Logged
Sorry, you can NOT post a reply.
This topic is closed.
Printable version

| You cannot post new topics in this forum You cannot reply to topics in this forum You cannot delete your posts in this forum You cannot edit your posts in this forum You cannot create polls in this forum You cannot vote in polls in this forum |
| Search the12volt.com |
Follow the12volt.com
Wednesday, March 25, 2026 • Copyright © 1999-2026 the12volt.com, All Rights Reserved • Privacy Policy & Use of Cookies
Wednesday, March 25, 2026 • Copyright © 1999-2026 the12volt.com, All Rights Reserved • Privacy Policy & Use of Cookies
Disclaimer:
*All information on this site ( the12volt.com ) is provided "as is" without any warranty of any kind, either expressed or implied, including but not limited to fitness for a particular use. Any user assumes the entire risk as to the accuracy and use of this information. Please
verify all wire colors and diagrams before applying any information.




Next is the door triggers. From what understand my wiring information is telling me that I have to go directly to the Body Security Module that is mounted on the rear cabin wall behind the rear seat and splice in to each wire for each door and use diodes to isolate each door wire from back feeding. I was just wondering if there is any easier way to hook up my door trigger wire?
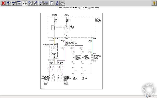
If this helps my truck is a 2006 Ford F-150 FX4. Everything else on the remote start/security system works except my rear defogger and my door triggers, and this system is absolutely amazing. I love it! It advertises a 1 mile range and it actually does work that far, I have tested this many times in multiple different vehicles I have installed this same model remote start/security system. I highly recommend this system to anyone that wants an excellent remote start/security system combo.
So if anyone can please give me some clues on how to do these 2 things I asked it would be very much appreciated. Thanks a lot. 

