the12volt.com spacer
the12volt.com spacer
the12volt.com spacer
the12volt.com spacer
icon

2007 honda pilot db all issue


Post ReplyPost New Topic
< Prev Topic Next Topic >
xtac1080 
Copper - Posts: 89
Copper spaceThis member has made a donation to the12volt.com. Click here for more info.spacespace
Joined: July 07, 2005
Location: Illinois, United States
Posted: December 04, 2013 at 4:09 PM / IP Logged  
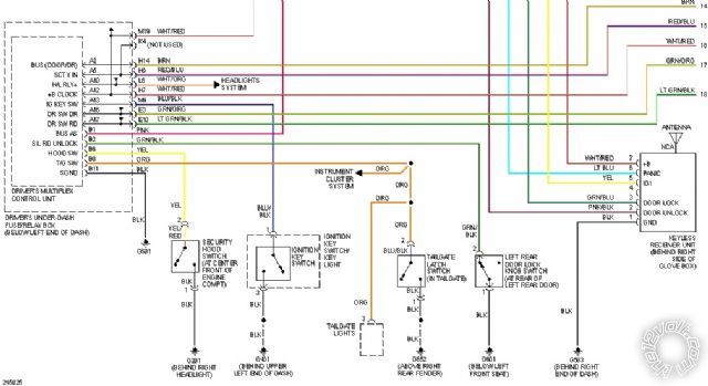
Installed a Viper 4103 with DBALL into an 07 Pilot EX and I ran into an issue. Remote start works fine, as well as transponder bypass, but I have no lock/unlock or factory security arm/disarm. The schematic below is from the DBALL pdf, and I'm trying to determine what the yellow & yellow/orange wires from the DBALL are connecting to. I cannot find this 14-pin gray plug the installation manual says is under the driver side dash. I have also attached a schematic from Ondemand of the multiplex module on this vehicle, but I cannot find a yellow wire other than the hood pin.
I don't have access to directechs, and the Xpresskit.com tech support take forever to respond. Anyone here have any experience with this? Any input is greatly appreciated!
2007 honda pilot db all issue -- posted image.
2007 honda pilot db all issue -- posted image.
kevmeg 
Member - Posts: 4
Member spacespace
Joined: December 03, 2013
Location: Quebec, Canada
Posted: December 04, 2013 at 5:51 PM / IP Logged  
Hi
I have a pilot 2007 too and ive connected it yesterday. If you want arm and disarm (lock unlock same time)you have to go at front passenger side
where the fuse are. top front connecter have 2 empty hole. You have to put wire in both, one for arm/lock one for disarm/unlock
xtac1080 
Copper - Posts: 89
Copper spaceThis member has made a donation to the12volt.com. Click here for more info.spacespace
Joined: July 07, 2005
Location: Illinois, United States
Posted: December 04, 2013 at 6:18 PM / IP Logged  
Hey, thanks for the reply. I am aware of how to disarm/arm/unlock/lock the system traditionally, but I ordered the DB-ALL specifically because it does these commands over the data wire. All I have right now is an overpriced PKH34.
This Yellow wire is no where to be found in this vehicle, and it does not have a description as to it's actual function (what does this wire do??). I contacted DEI about it, and their advice was to wire it up traditionally since it must be a different trim package! When asked if they had any install pictures to reference, I was referred to their Directechs website (to which I have no access). Does no one have experience with the DBALL and 05-08 Honda Pilots?
triniforever 
Copper - Posts: 323
Copper spacespace
Joined: November 12, 2008
Location: New York, United States
Posted: December 04, 2013 at 6:49 PM / IP Logged  
I checked Directechs and the only Yellow wire found under the dash is the Hood Pin wire in a Green plug and I really don't think it's the wire that is mentioned in the install guide ,it just might be an error by Expresskit .
triniforever
cmk0808ny 
Copper - Posts: 203
Copper spacespace
Joined: June 02, 2007
Posted: December 04, 2013 at 8:09 PM / IP Logged  
The yellow wire can be found above the glovebox by the airbag. It will be the only solid yellow wire in the bundle. Cut in half and wire in the dball. it will enable the factory keyless during remote start and also disarm the factory alarm.
xtac1080 
Copper - Posts: 89
Copper spaceThis member has made a donation to the12volt.com. Click here for more info.spacespace
Joined: July 07, 2005
Location: Illinois, United States
Posted: December 04, 2013 at 8:51 PM / IP Logged  
triniforever wrote:
I checked Directechs and the only Yellow wire found under the dash is the Hood Pin wire in a Green plug and I really don't think it's the wire that is mentioned in the install guide ,it just might be an error by Expresskit .
Thanks for your response! I did find and connect the hood pin wire you described.
xtac1080 
Copper - Posts: 89
Copper spaceThis member has made a donation to the12volt.com. Click here for more info.spacespace
Joined: July 07, 2005
Location: Illinois, United States
Posted: December 04, 2013 at 8:54 PM / IP Logged  
cmk0808ny wrote:
The yellow wire can be found above the glovebox by the airbag. It will be the only solid yellow wire in the bundle. Cut in half and wire in the dball. it will enable the factory keyless during remote start and also disarm the factory alarm.
I will give your suggestion a try and post the outcome. Do you happen to know the function of this yellow wire?
cmk0808ny 
Copper - Posts: 203
Copper spacespace
Joined: June 02, 2007
Posted: December 05, 2013 at 6:45 AM / IP Logged  
I believe it is the ignition wire for the security module.
xtac1080 
Copper - Posts: 89
Copper spaceThis member has made a donation to the12volt.com. Click here for more info.spacespace
Joined: July 07, 2005
Location: Illinois, United States
Posted: December 10, 2013 at 8:28 AM / IP Logged  
So I found the yellow wire behind the glove box, but it tested odd so I did not want to integrate with it (was resting at ground without key in ign position, went to +12v at ign & start, and stayed +12v even after key was removed and doors were closed/factory alarm was enabled). And thus the DB-ALL became a PKALL in its functionality. I just hard wired the factory alarm/disarm and locking features. Pretty disappointed, and the Xpresskit.com tech support is nothing short of useless. Odd they claim to have the "Best Tech Support", must be for dealers only.
Thanks to those that donated their time/knowledge in this post!
ffyter 
Member - Posts: 48
Member spacespace
Joined: January 31, 2010
Location: Wisconsin, United States
Posted: February 01, 2014 at 7:51 AM / IP Logged  
I'm doing the same vehicle with the dball as well. Anyone know if the WHITE/ black wire from the dball that they say you have to ground during programming needs to stay grounded or can it be removed after programming is complete?

Sorry, you can NOT post a reply.
This topic is closed.

  Printable version Printable version Post ReplyPost New Topic
You cannot post new topics in this forum
You cannot reply to topics in this forum
You cannot delete your posts in this forum
You cannot edit your posts in this forum
You cannot create polls in this forum
You cannot vote in polls in this forum

  •  
Search the12volt.com
Follow the12volt.com Follow the12volt.com on Facebook
Wednesday, November 12, 2025 • Copyright © 1999-2025 the12volt.com, All Rights Reserved Privacy Policy & Use of Cookies
Disclaimer: *All information on this site ( the12volt.com ) is provided "as is" without any warranty of any kind, either expressed or implied, including but not limited to fitness for a particular use. Any user assumes the entire risk as to the accuracy and use of this information. Please verify all wire colors and diagrams before applying any information.

Secured by Sectigo
the12volt.com spacer
the12volt.com spacer
the12volt.com spacer
Support the12volt.com
Top
the12volt.com spacer
the12volt.com spacer