the12volt.com spacer
the12volt.com spacer
the12volt.com spacer
the12volt.com spacer
icon

90 acura integra power mirrors


Post ReplyPost New Topic
< Prev Topic Next Topic >
pitoaudiovisual 
Copper - Posts: 388
Copper spacespace
Joined: April 25, 2005
Location: Pennsylvania, United States
Posted: May 18, 2015 at 5:55 PM / IP Logged Link to Post Post Reply Quote pitoaudiovisual
Does anyone have a diagram for powered mirrors for a 90 integra. I have the switch but the customer gave me a relay so that the mirrors when the car turns on and off will fold in and out. The relay has 5 wires if that helps just not sure what wire goes to what and I don't wanna burn anything out. Thank you in advance
Confidence is the key to any project!!
howie ll 
Pot Metal - Posts: 16,466
Pot Metal spacespace
Joined: January 09, 2007
Location: United Kingdom
Posted: May 19, 2015 at 2:50 AM / IP Logged Link to Post Post Reply Quote howie ll
Do the mirrors shut off at end of travel?
howie ll 
Pot Metal - Posts: 16,466
Pot Metal spacespace
Joined: January 09, 2007
Location: United Kingdom
Posted: May 19, 2015 at 2:53 AM / IP Logged Link to Post Post Reply Quote howie ll
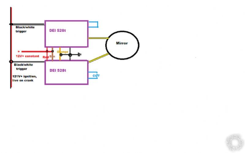
If not use a pair of DEI 528t timer relays as this diagram, colour coded.
DZF_ignition_controlled_mirror_fold.png
pitoaudiovisual 
Copper - Posts: 388
Copper spacespace
Joined: April 25, 2005
Location: Pennsylvania, United States
Posted: May 19, 2015 at 8:54 AM / IP Logged Link to Post Post Reply Quote pitoaudiovisual
OK the customer told me that the mirror only opens and closes when u press the button so u would have to hold the button until the mirror is out or in.
Confidence is the key to any project!!
howie ll 
Pot Metal - Posts: 16,466
Pot Metal spacespace
Joined: January 09, 2007
Location: United Kingdom
Posted: May 19, 2015 at 8:59 AM / IP Logged Link to Post Post Reply Quote howie ll
Then the diagram I showed you removes the need for a button, completely automatic.
Test on a bench how long the mirrors take in each direction, add one second and adjust each 528t for that time.
pitoaudiovisual 
Copper - Posts: 388
Copper spacespace
Joined: April 25, 2005
Location: Pennsylvania, United States
Posted: May 19, 2015 at 11:47 AM / IP Logged Link to Post Post Reply Quote pitoaudiovisual
Its all factory I have a factory switch with the button on it and a factory relay with that is suppose to connect to the mirrors with no extra parts.I would buy extra parts but I'm not suppose to. Everything should be there just a matter of wiring it up
Confidence is the key to any project!!
howie ll 
Pot Metal - Posts: 16,466
Pot Metal spacespace
Joined: January 09, 2007
Location: United Kingdom
Posted: May 19, 2015 at 1:06 PM / IP Logged Link to Post Post Reply Quote howie ll
Can't be done with just one relay, use ordinary Bosch type and the battery will drain when the car is standing still, also you'll burn out the mirrors if they don't have an auto-stop.
Hence the two timer relays. If you can't buy extra parts refuse the job.

If you wish to post a reply to this topic, you must first login.
If you are not already registered, you must first register.

  Printable version Printable version Post ReplyPost New Topic
You cannot post new topics in this forum
You cannot reply to topics in this forum
You cannot delete your posts in this forum
You cannot edit your posts in this forum
You cannot create polls in this forum
You cannot vote in polls in this forum

  •  
Search the12volt.com
Follow the12volt.com Follow the12volt.com on Facebook
Saturday, May 16, 2026 • Copyright © 1999-2026 the12volt.com, All Rights Reserved Privacy Policy & Use of Cookies
Disclaimer: *All information on this site ( the12volt.com ) is provided "as is" without any warranty of any kind, either expressed or implied, including but not limited to fitness for a particular use. Any user assumes the entire risk as to the accuracy and use of this information. Please verify all wire colors and diagrams before applying any information.

Secured by Let's Encrypt
the12volt.com spacer
the12volt.com spacer
the12volt.com spacer
Support the12volt.com
Top
the12volt.com spacer
the12volt.com spacer