the12volt.com spacer
the12volt.com spacer
the12volt.com spacer
the12volt.com spacer
icon

Critique My Diagram, Baja Designs LP6 and LP9 Lamps


Post ReplyPost New Topic
< Prev Topic Next Topic >
betarocker 
Member - Posts: 11
Member spacespace
Joined: December 21, 2020
Location: British Columbia, Canada
Posted: December 21, 2020 at 11:26 PM / IP Logged Link to Post Post Reply Quote betarocker
https://lh3.googleusercontent.com/7D8VjXVdt8assCBG5lx74EvcIEGrYcEFA9-Ksx7hpVFCdRZqDdxxGEJHpz9YUgsGG7VtoX_mDf52jRDWX-sjf0Aa2Y6cEyld53X3TdVjvPU7jSpofyMJUsKnoTnQYqSv8Qi0tejRL069vNC7lNsiHoc93N28J7dUlJZdqCg5FeRxQ5luqbujeXehzLP8jeJyfZGYCIz240ypBmBfu97AwzlIxxJkP10jyvDiNFmIWXKQvi8IsT0YgPcaPVzZ6XFVvV9ak66Mxn6sAx4aDAyuPHpeov31W8lo3DpettV476wtD1gHVWuFzIGT0VTaUzDVuhHtPAGdqKBx6EwnHj0A8XHqh8hd5sQRsSOG_S14Eb4l-MI60OYa3FJ5l4yGCDfKevTyqvSS8QRju8Qm6jGwe-YAKJ1CU2CjJ9YAmxfgfX62aZjzECLJwZOlRv2mgbsVbwpdGp7hKAnTdpSQylqyOv6rLiSepXwDiNr9IOk8VJRIUrI5S9uxkD-_lKL92vE-Rx3QPuFkE1jM84coa1mVkb0vX75h-wtS7qxvYYVPc5ncjaKW6Anu6GWPxf4nqy_p9QUPp0ZtJc17_2d7WDp2YMKAHa1X1FGWZ-T5vlAJtyqp-Kt359LGn2xM-4_ky3FIZ7qJ8J3kIj2XuxtGOajhCD9JKqM-f1zXiOthWyV51mTOhpDD2aR9OuD0B2qkUw=w754-h975-no?authuser=0
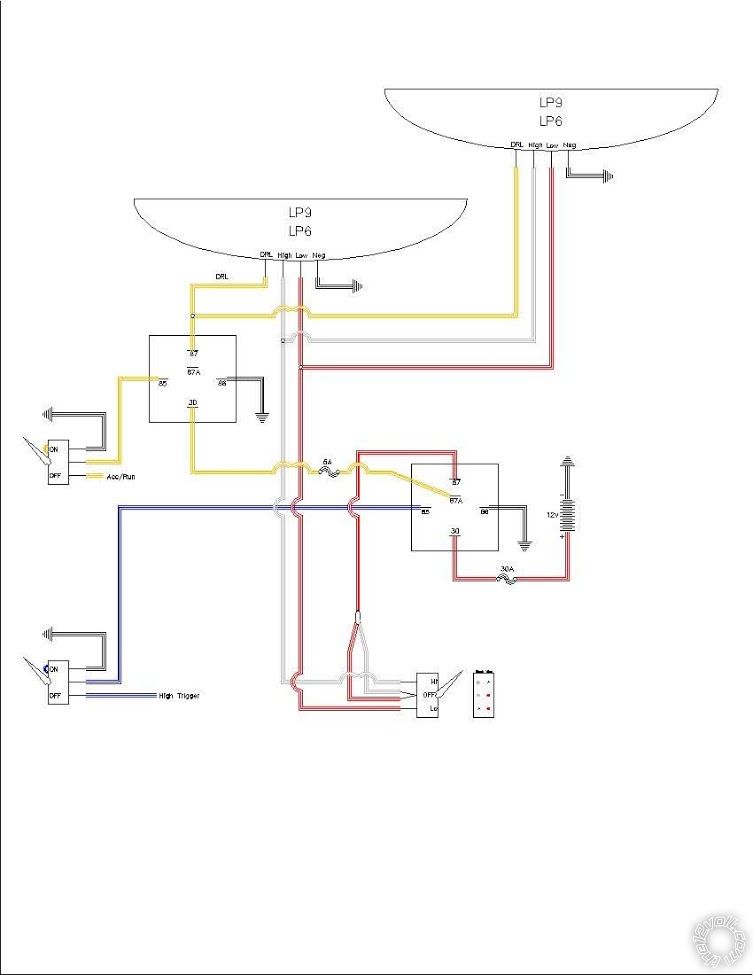
Hello. Please critique this diagram. For Baja Designs LP6 (1 pair) and LP9 (1 pair) lamps. The Diagram is for one pair of lamps. A second exact one for the 2nd pair of lamps.
A few notes.
- Low beam power must be off when high beam is powered. Warning on manufacturer's literature.
- DRL must turn off when high or low is powered to lamps, Causes back feeding and flickering if DRL has power and either high or low circuits energized. Found this out when tried wiring to manufacturer's basic diagram.
- Want to use vehicle's high beam circuit to control LP6/9 lamps. I don't want to be flipping 8 switches when need to dim to low beams
- Want option to shut of DRL if not wanted (dark mode)
- Want option to only use vehicle's lamps (no LP6/9 on with high beams)
- The ON-OFF-ON switch is rated for current when lamps produce max load.
- Want the DRL to turn of when key is turned off. I haven't found a dedicated circuit which would trigger when vehicle shifted out of park.
Vehicle is a 2016 Ford F350 4wd diesel.
Many thanks.
Julius
Critique My Diagram, Baja Designs LP6 and LP9 Lamps -- posted image.
betarocker 
Member - Posts: 11
Member spacespace
Joined: December 21, 2020
Location: British Columbia, Canada
Posted: December 25, 2020 at 9:24 PM / IP Logged Link to Post Post Reply Quote betarocker
Update,
Everything works as intended.
I used the 2 ON-OFF-ON switches because I had them, but would use ON-ON switches if doing it again.
Still need to find a signal wire which registers "Out of Park" or "In Gear". Anyone have insight where/which it is?
Ween 
Platinum - Posts: 1,368
Platinum spacespace
Joined: August 01, 2004
Location: Illinois, United States
Posted: December 25, 2020 at 10:39 PM / IP Logged Link to Post Post Reply Quote Ween
Ford provides an "In Park" signal and an "In Neutral" signal. Both are active low outputs
https://www.fordbbas.com/publications for more info.   
betarocker 
Member - Posts: 11
Member spacespace
Joined: December 21, 2020
Location: British Columbia, Canada
Posted: December 26, 2020 at 7:46 PM / IP Logged Link to Post Post Reply Quote betarocker
Thanks. I guess I need a Relay that triggers with 5 volts, and switches 12 volts.
Ween 
Platinum - Posts: 1,368
Platinum spacespace
Joined: August 01, 2004
Location: Illinois, United States
Posted: December 26, 2020 at 8:07 PM / IP Logged Link to Post Post Reply Quote Ween
Since they are active low (low side driver)...output wire goes to ground. A 12 volt relay should be able to be used.
betarocker 
Member - Posts: 11
Member spacespace
Joined: December 21, 2020
Location: British Columbia, Canada
Posted: December 27, 2020 at 6:52 PM / IP Logged Link to Post Post Reply Quote betarocker
Thanks. I did find the blue/grey wire from delving into the info from the link, and confirmed it does something when connecting my multimeter and shifting in and out or Park. In park, got a 91.8 ohms reading, out of park was 2.779 k-ohms.
I tried using a test light but nothing registered by either connecting to ground or to a power source. Incandescent bulb in the test probe so doesn't matter which way it's hooked up.
I just don't know what to do from here. Simple circuits I can figure out, but this is above my meager pay grade.
Ween 
Platinum - Posts: 1,368
Platinum spacespace
Joined: August 01, 2004
Location: Illinois, United States
Posted: December 27, 2020 at 6:58 PM / IP Logged Link to Post Post Reply Quote Ween
Try a bosch/tyco style relay (SPDT). One side of coil to power (ignition), other side to blue/grey. Should have a set of contacts that changes states with shifting in and out of park.
betarocker 
Member - Posts: 11
Member spacespace
Joined: December 21, 2020
Location: British Columbia, Canada
Posted: December 27, 2020 at 8:44 PM / IP Logged Link to Post Post Reply Quote betarocker
Thank you very much Ween. I'll give it a try when I next have enough time time to mess with it. I have a spare relay in the parts box. I'll post if I need more help. Happy New Year.
Ween 
Platinum - Posts: 1,368
Platinum spacespace
Joined: August 01, 2004
Location: Illinois, United States
Posted: December 27, 2020 at 8:50 PM / IP Logged Link to Post Post Reply Quote Ween
My pleasure, Happy New Year back at you!
betarocker 
Member - Posts: 11
Member spacespace
Joined: December 21, 2020
Location: British Columbia, Canada
Posted: January 02, 2021 at 8:32 PM / IP Logged Link to Post Post Reply Quote betarocker
Had some time today to test. Poked some safety pins into the end of the wires so I didn't need to reseal the ends, and clipped on some alligator clips to the relay terminals. First had the test light on 87 and the light turned on when key on and in Park and it turned off when put in gear. Switched to 87a and light off when in Park, and turned on when in gear.
Thanks. Now I need a bit of time to wire properly and neatly.
Page of 2

  Printable version Printable version Post ReplyPost New Topic
You cannot post new topics in this forum
You cannot reply to topics in this forum
You cannot delete your posts in this forum
You cannot edit your posts in this forum
You cannot create polls in this forum
You cannot vote in polls in this forum

  •  
Search the12volt.com
Follow the12volt.com Follow the12volt.com on Facebook
Saturday, October 18, 2025 • Copyright © 1999-2025 the12volt.com, All Rights Reserved Privacy Policy & Use of Cookies
Disclaimer: *All information on this site ( the12volt.com ) is provided "as is" without any warranty of any kind, either expressed or implied, including but not limited to fitness for a particular use. Any user assumes the entire risk as to the accuracy and use of this information. Please verify all wire colors and diagrams before applying any information.

Secured by Sectigo
the12volt.com spacer
the12volt.com spacer
the12volt.com spacer
Support the12volt.com
Top
the12volt.com spacer
the12volt.com spacer