the12volt.com spacer
the12volt.com spacer
the12volt.com spacer
the12volt.com spacer
icon

Honda Ridgeline RT, bypass modules?


Post ReplyPost New Topic
< Prev Topic Next Topic >
ritopkid06 
Member - Posts: 29
Member spacespace
Joined: August 25, 2006
Location: United States
Posted: August 26, 2006 at 12:54 PM / IP Logged  
First off I have to say that this site is GREAT! Its awesome to have such a pool or information. I am new to this site I have browsed it for along time but I just signed up last night as I have spent the last 2 months getting my MECP training at the RITOP School for Mobile Electronics. I have a 2006 Honda Ridgeline RT and I was wondering if there are any special bypass modules or any side notes I should know going into this. The RT model has keyless entry but has no security system that I know of. Also does anyone know about the window modules in the ridgeline are there 2 2way modules? The key fobber allows you to roll all 4 windows down with one button but you cant roll them back up with the fobber you have to put the key in the door and turn it twice and hold it and they will all go down....could I simply tap the lock wire in the truck to the window UP wire so my windows go up when I lock the truck? They sell a module to do this but I was thinking I could do it for free....I'm just a newbie so dont rip me apart to bad if thats a crazy thought.
Anthony
ritopkid06 
Member - Posts: 29
Member spacespace
Joined: August 25, 2006
Location: United States
Posted: August 26, 2006 at 10:09 PM / IP Logged  
well all these views and no replys...tells me not to much information is currently known about these trucks... :O(
thepencil 
Gold - Posts: 1,526
Gold spacespace
Joined: December 16, 2002
Location: Canada
Posted: August 26, 2006 at 10:23 PM / IP Logged  
Do a search and take a look at the following Bypass.
Honda SL2 and the CANSL. Do some reading on it and ask questions if you you have any. Lots of good guys here to help you out should you need it. Newbie, I was and am still learning from them, so don't worry too much about asking silly questions. Just make sure you do a bit of homework first before you ask to be spoon feed. ;)
Be careful whose advice you buy, but be patient with those who supply it.Honda Ridgeline RT, bypass modules? -- posted image.
ritopkid06 
Member - Posts: 29
Member spacespace
Joined: August 25, 2006
Location: United States
Posted: August 27, 2006 at 12:14 AM / IP Logged  
Wow thanks for the great information. I researched the two modules and they seem perfect I dunno how I would ever have known this without your help. What is the purpose of the extra features of the CANSL? I see it can control locks, alarm, hood pin ect ect. but why would you need it to interface to these, isn't that what the security system brain is for? I am probably going to buy a DEI alarm with remote start, use this module to be able to remote start my truck and then wouldn't the alarm control all these functions?
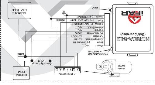
Also here is the diagram I found for the SL2...sorry if this is a stupid question but is this all the wires I have to hook up or is this just showing how to hook up the SL2. Another words I still need to hook up all the wires comming off the remote start unit right? This diagram I am assuming is only showing the one wire off the remote start unit becuase its the only one needed to interface the SL2?
Honda Ridgeline RT, bypass modules? -- posted image.
ritopkid06 
Member - Posts: 29
Member spacespace
Joined: August 25, 2006
Location: United States
Posted: August 27, 2006 at 12:16 AM / IP Logged  
Perhaps you prefer images right side up...Honda Ridgeline RT, bypass modules? -- posted image.
Honda Ridgeline RT, bypass modules? -- posted image.
iskidoo 
Silver - Posts: 1,048
Silver spaceThis member has made a donation to the12volt.com. Click here for more info.spacespace
Joined: December 08, 2002
Location: Maine, United States
Posted: August 27, 2006 at 8:01 AM / IP Logged  
I believe you need that module just to get past the security of the key itself. You can't remote start it if you can't mimmick the presence of the actual key in the ignition.
Regarding the hood pin and other such convenience features of the other module, it's all about speed and saving time. Would you rather snake wire through the firewall and interface with a hood pin or just siply connect your brain wire to this modules hood pin wire and be done with it. It saves installers time, adds a little to the cost of the install and allows the installer to get the next customer in to increase sales/profit/turnaround.
Steve G
KPierson 
Platinum - Posts: 3,527
Platinum spaceThis member consistently provides reliable informationspace
Joined: April 14, 2005
Location: Ohio, United States
Posted: August 27, 2006 at 10:29 AM / IP Logged  

You can't simply tap the lock wire and make the windows go up.  You need to tap in to the key cylinder wire located inside the door and send it a short pulse followed by a long pulse to make the windows move.  I would highly sugguest going with the module you speak of to achieve an OEM integration and more control then raising the windows every time you hit the 'lock' button.

Let me know if you have any other window related questions.

Kevin Pierson
Chris Luongo 
Platinum - Posts: 3,746
Platinum spaceThis member consistently provides reliable informationspace
Joined: May 21, 2002
Location: Massachusetts, United States
Posted: August 27, 2006 at 10:29 AM / IP Logged  
Hi Anthony,
How did you like Ritop? I've run into a few people who have gone there, as I don't live far away---in Malden. Are you from this area?
Anyway....
I do a lot of dealer work, so I've worked on my fair share of Ridgelines.
---I have never seen/installed the HONDA-SL2 in your pictures, but, from reading the diagram......it serves ONLY to bypass the anti-theft transponder key.
You still need to perform the rest of the remote start installation--ignition, starter, accessory, locks, and so forth.
What is the cost of that part? Can you give up one of your spare keys? It would be far easier just to put a spare key into a universal bypass box, like the DEI 556U, Audiovox AS-TCBM, or bypasskit.com TBKIII........ you lose one of your keys, but the bypass box is cheap, and the labor is easy.
That HONDA-SL2 requires a fair bit of extra labor, and also introduces another opportunity to make mistakes and/or damage the car.
At any rate, compare the cost of the HONDA-SL to the cost of a 556U and a spare key from the Honda dealer, and make your decision from there.
--Locks and stuff: Factory arm/disarm wires are ONLY available inside the driver's door. Hoodpin wire is available ONLY under the hood. The lock/unlock wires are available inside the car, but they unlock ALL the doors at once.
If you buy something such as the HODL2 from bypasskit.com, you can easily make all of these connections, directly from the HODL2 to your remote starter, right on your workbench........it does save you quite a bit of labor.
On top of that, it allows you to retain factory features like unlocking only the driver's door first, and having the domelight come on when you unlock the doors.
On the other hand, if you really don't have a factory alarm that needs disarming (but I think you do), and you don't care about hoodpin safety or driver's-priority unlocking (I don't like it), then the HODL2 isn't going to save you much time anyway.
Again, compare the cost of the part, to what you think your time/labor is worth. I have some sneaky shortcuts to quickly fish a wire into the driver's door of a Ridgeline.......but to do it the right way, so it looks completely factory, is an unpleasant and time-consuming task.
--If you want to control your windows up and down from the aftermarket alarm, that is easy, and doesn't require any special extra parts.
Go to the carsound.com Security Forum, and do a search for "nissan windows." I've developed a method that requires only one auxilary output from your remote starter, and one cheap relay. The article is about Nissans and Infinitis, but it'll work on your Ridgeline too.
The only downside is that you will NEED to run two wires into the door, regardless of whether or not you buy the HODL2.
P.S. HOW TO TEST FOR FACTORY ALARM ON HONDAS:
1. Be sure hood, cargo storage thingy in the back, tailgate, and all doors are closed. OPEN at least one of the windows.
2. Lock the doors using the factory remote, or using the key, or open one door, hit "power lock," then close.
3. Look at the dashboard. Somewhere, there should be a red light flashing quickly. If it's not on the dashboard, it's installed on the top of the driver's door panel. After a short time, the light will beging to flash slowly.
4. Without using your key or remote.....reach inside the open window and unlock and open the door (just as thief might do after he'd broken the window)........if there is a factory alarm, it should trigger now.
KPierson 
Platinum - Posts: 3,527
Platinum spaceThis member consistently provides reliable informationspace
Joined: April 14, 2005
Location: Ohio, United States
Posted: August 27, 2006 at 10:31 AM / IP Logged  
The Nissan windows require one long pulse, the Honda windows require two pulses (a short followed by a long).  Are you sure your method will work on the Hondas with one relay?
Kevin Pierson
ritopkid06 
Member - Posts: 29
Member spacespace
Joined: August 25, 2006
Location: United States
Posted: August 27, 2006 at 11:54 AM / IP Logged  
Hey Chris I liked RITOP a lot(I actually have 4 more days ) but close enough. They really go indepth and teach you a lot I feel like I am ready to get in the bay and work on a car especially if I was working side by side with another installer just to pick up the tips and tricks the guy who has been doing it forever knows. We did a project car Acura Legend and did about a $15,000 install on it fiberglass and the whole bit Viper alarm, Alpine IWA 200, 2 kicker solobarics...second battery, 3 amps, cap.. From what I've heard Ritop is the only school that actually allows you to work on a car all the other schools you watch someone else work on the cars ie Mobile Dynamics. I am not from this area I'm actually from upstate NY Duanesburg area its about 3.5 hours from here.
Thanks for all your help...Where do you work? Are you looking for an installer?
Anthony
I am sure that my Ridgeline doesn't have a factory security system as it is the base model and has no LED...there is a little piece in the top of the dash where the LED would go but there is nothing there. The only led in the RT is in the radio. So now as far as the Honda CANSL....why are you not reccomending this? Just a key from the dealer for the ridgeline is $200! Plus from what I'm reading the CANSL will make installation much easier as I can just tap all the wires into this unit instead of having to run them to the actual wires all over the truck. The CAMSL Im not sure of the price probably a little bit more but SL2 was like $55. I dont like the idea of putting a key in a box and hiding it somewhere in my truck as much as I like the bypass module.
You said "That HONDA-SL2 requires a fair bit of extra labor, and also introduces another opportunity to make mistakes and/or damage the car"
Can you explain this alittle more indepth it seems to me that this would make installation easier if you read a few posts above yours someone wrote "Regarding the hood pin and other such convenience features of the other module, it's all about speed and saving time. Would you rather snake wire through the firewall and interface with a hood pin or just siply connect your brain wire to this modules hood pin wire and be done with it. It saves installers time, adds a little to the cost of the install and allows the installer to get the next customer in to increase sales/profit/turnaround" Is this incorrect?
One last thing you mentioned "If you buy something such as the HODL2 from bypasskit.com, you can easily make all of these connections, directly from the HODL2 to your remote starter, right on your workbench........it does save you quite a bit of labor" is this the same as a Honda SL2 or the Honda CANSL??
Page of 2

  Printable version Printable version Post ReplyPost New Topic
You cannot post new topics in this forum
You cannot reply to topics in this forum
You cannot delete your posts in this forum
You cannot edit your posts in this forum
You cannot create polls in this forum
You cannot vote in polls in this forum

  •  
Search the12volt.com
Follow the12volt.com Follow the12volt.com on Facebook
Saturday, April 18, 2026 • Copyright © 1999-2026 the12volt.com, All Rights Reserved Privacy Policy & Use of Cookies
Disclaimer: *All information on this site ( the12volt.com ) is provided "as is" without any warranty of any kind, either expressed or implied, including but not limited to fitness for a particular use. Any user assumes the entire risk as to the accuracy and use of this information. Please verify all wire colors and diagrams before applying any information.

Secured by GoGetSSL
the12volt.com spacer
the12volt.com spacer
the12volt.com spacer
Support the12volt.com
Top
the12volt.com spacer
the12volt.com spacer