the12volt.com spacer
the12volt.com spacer
the12volt.com spacer
the12volt.com spacer
icon

2006 Ford F-250, Remote Start/Alarm With Priority Unlock


Post ReplyPost New Topic
< Prev Topic Next Topic >
jsykes3382 
Member - Posts: 2
Member spacespace
Joined: August 05, 2024
Location: New Mexico, United States
Posted: August 05, 2024 at 6:43 PM / IP Logged Link to Post Post Reply Quote jsykes3382
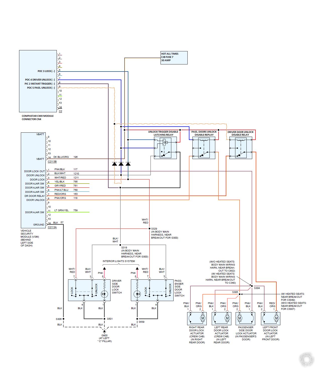
New member here. I'm in the process of installing a remote start/alarm for my truck. I had a 2003 F250 stolen from my driveway at the beginning of the year and now have a replacement truck. Id like to keep this one hence the alarm install. Currently I have a Firstech CMX-HC with the FT-Alarmit-kit with a RF-2WR#-FM remote. I also plan to install the X1Max-LTE module for GPS tracking and remote start capabilities. After working my way through the installation documentation and several forum searches I think I have a plan for installation. I have a few specific things I would like to have with the RS/Alarm. First I would like to have priority unlock of the drivers door like the current configuration from the factory. Second I would like the unlock switches on the doors to be disabled while the alarm is active to prevent an easy quick entry as well as force an alarm if pressed. Third I'd like to have any needed relays at rest while the alarm is armed.
After viewing the schematics for the VSM for my truck I have learned a few things. First the door lock actuators have both legs set to ground at rest and change polarity accordingly from lock or unlock commands from the remote, door switches, or keypad. Second taping into the door switch unlock/lock circuit will cycle all of the locks(no unlock priority). Last there appears to be no way to integrate the factory keypad to arm/disarm the alarm.
From what I've learned so far I have come up with this schematic to accomplish priority unlock, doors unlock switch disable while armed, and all relays at rest while armed. Are there any errors in this schematic? Is there an easier way to implement my requirements? Thanks in advance for the help. 2006 Ford F-250, Remote Start/Alarm With Priority Unlock -- posted image.

If you wish to post a reply to this topic, you must first login.
If you are not already registered, you must first register.

  Printable version Printable version Post ReplyPost New Topic
You cannot post new topics in this forum
You cannot reply to topics in this forum
You cannot delete your posts in this forum
You cannot edit your posts in this forum
You cannot create polls in this forum
You cannot vote in polls in this forum

  •  
Search the12volt.com
Follow the12volt.com Follow the12volt.com on Facebook
Thursday, October 9, 2025 • Copyright © 1999-2025 the12volt.com, All Rights Reserved Privacy Policy & Use of Cookies
Disclaimer: *All information on this site ( the12volt.com ) is provided "as is" without any warranty of any kind, either expressed or implied, including but not limited to fitness for a particular use. Any user assumes the entire risk as to the accuracy and use of this information. Please verify all wire colors and diagrams before applying any information.

Secured by Sectigo
the12volt.com spacer
the12volt.com spacer
the12volt.com spacer
Support the12volt.com
Top
the12volt.com spacer
the12volt.com spacer