the12volt.com spacer
the12volt.com spacer
the12volt.com spacer
the12volt.com spacer
icon

cultch bypass wire


Post ReplyPost New Topic
< Prev Topic Next Topic >
savage x 
Member - Posts: 2
Member spacespace
Joined: October 28, 2006
Location: Canada
Posted: October 29, 2006 at 12:40 AM / IP Logged  
On a 1991 integra i got a white and black wire on the cultch pedal. i test the white i got a ground, i test the black wire i also got a ground, but when i test the white wire and press the cultch in the ground goes away. how do i bypass the clutch in this case.
master5 
Silver - Posts: 1,123
Silver spacespace
Joined: October 10, 2006
Location: United States
Posted: October 29, 2006 at 1:06 AM / IP Logged  

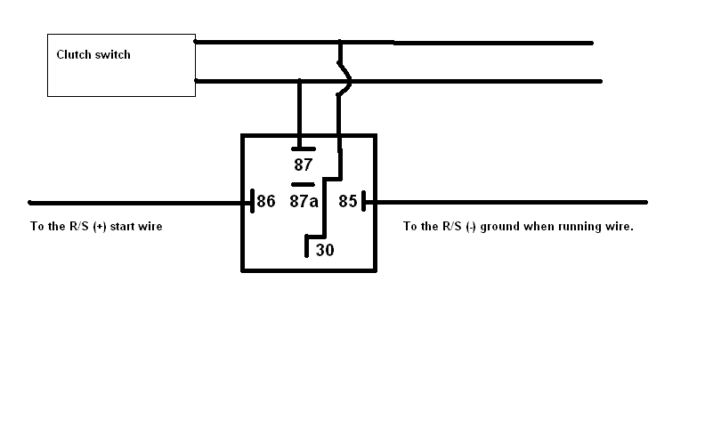
Only use this if you PROMISE you are using a RS unit designed specifically for a manual. Otherwise I will not be held responsible if the vehicle ends up in someones living room.

clutch_bypass.gif

savage x 
Member - Posts: 2
Member spacespace
Joined: October 28, 2006
Location: Canada
Posted: October 29, 2006 at 8:03 AM / IP Logged  

Thanks buddy. and yesy it is for a manual trasmission.


Sorry, you can NOT post a reply.
This topic is closed.

  Printable version Printable version Post ReplyPost New Topic
You cannot post new topics in this forum
You cannot reply to topics in this forum
You cannot delete your posts in this forum
You cannot edit your posts in this forum
You cannot create polls in this forum
You cannot vote in polls in this forum

  •  
Search the12volt.com
Follow the12volt.com Follow the12volt.com on Facebook
Wednesday, March 4, 2026 • Copyright © 1999-2026 the12volt.com, All Rights Reserved Privacy Policy & Use of Cookies
Disclaimer: *All information on this site ( the12volt.com ) is provided "as is" without any warranty of any kind, either expressed or implied, including but not limited to fitness for a particular use. Any user assumes the entire risk as to the accuracy and use of this information. Please verify all wire colors and diagrams before applying any information.

Secured by GoGetSSL
the12volt.com spacer
the12volt.com spacer
the12volt.com spacer
Support the12volt.com
Top
the12volt.com spacer
the12volt.com spacer