the12volt.com spacer
the12volt.com spacer
the12volt.com spacer
the12volt.com spacer
icon

2010 Armada Seat and SW Heater relay


Post ReplyPost New Topic
< Prev Topic Next Topic >
d16apwr 
Member - Posts: 4
Member spacespace
Joined: April 30, 2007
Posted: October 18, 2017 at 8:49 PM / IP Logged Link to Post Post Reply Quote d16apwr
All,
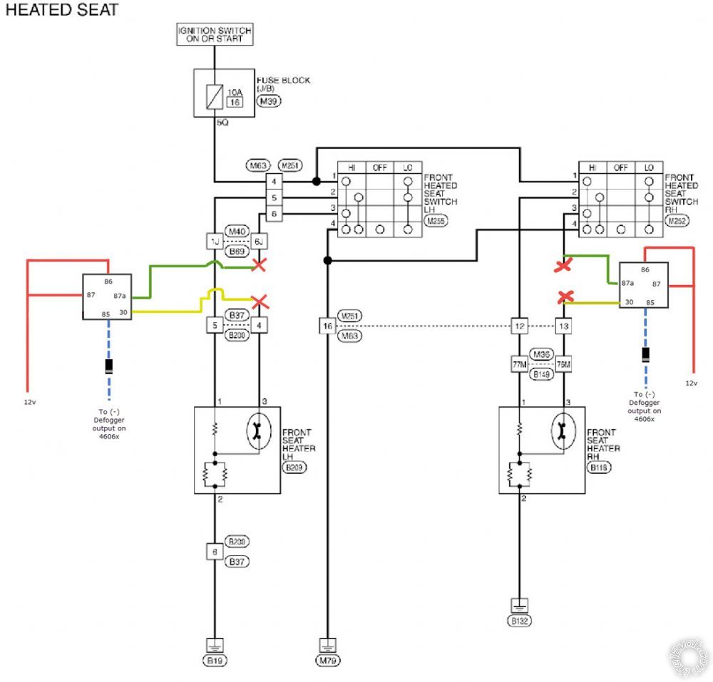
I'm installing a Clifford 4606x into a 2010 Nissan Armada Platinum. I wanted to use the second status out (defogger) to turn on the heated seats to high, as well as turn on the steering wheel heater. This output goes to ground normally when the temperature is below 55 deg. F in the cabin. I've included my planned relay connections to accomplish this. Just looking for some input on if this is correct or not. All connections to the alarm (-) output will be diode isolated. Also, both the seat heater switches, as well as the steering wheel heater, are all latched switches.
Thanks!
2010 Armada Seat and SW Heater relay -- posted image.
2010 Armada Seat and SW Heater relay -- posted image.
d16apwr 
Member - Posts: 4
Member spacespace
Joined: April 30, 2007
Posted: November 02, 2017 at 1:08 PM / IP Logged Link to Post Post Reply Quote d16apwr
In case anyone else ever hits this, I wired it up as I illustrated above and everything works as it should.

If you wish to post a reply to this topic, you must first login.
If you are not already registered, you must first register.

  Printable version Printable version Post ReplyPost New Topic
You cannot post new topics in this forum
You cannot reply to topics in this forum
You cannot delete your posts in this forum
You cannot edit your posts in this forum
You cannot create polls in this forum
You cannot vote in polls in this forum

  •  
Search the12volt.com
Follow the12volt.com Follow the12volt.com on Facebook
Sunday, October 26, 2025 • Copyright © 1999-2025 the12volt.com, All Rights Reserved Privacy Policy & Use of Cookies
Disclaimer: *All information on this site ( the12volt.com ) is provided "as is" without any warranty of any kind, either expressed or implied, including but not limited to fitness for a particular use. Any user assumes the entire risk as to the accuracy and use of this information. Please verify all wire colors and diagrams before applying any information.

Secured by Sectigo
the12volt.com spacer
the12volt.com spacer
the12volt.com spacer
Support the12volt.com
Top
the12volt.com spacer
the12volt.com spacer